EasyManua.ls Logo

Danfoss VLT HVAC Basic Drive - Electrical Overview

Danfoss VLT HVAC Basic Drive
46 pages
Print Icon
To Next Page IconTo Next Page
To Next Page IconTo Next Page
To Previous Page IconTo Previous Page
To Previous Page IconTo Previous Page
Loading...
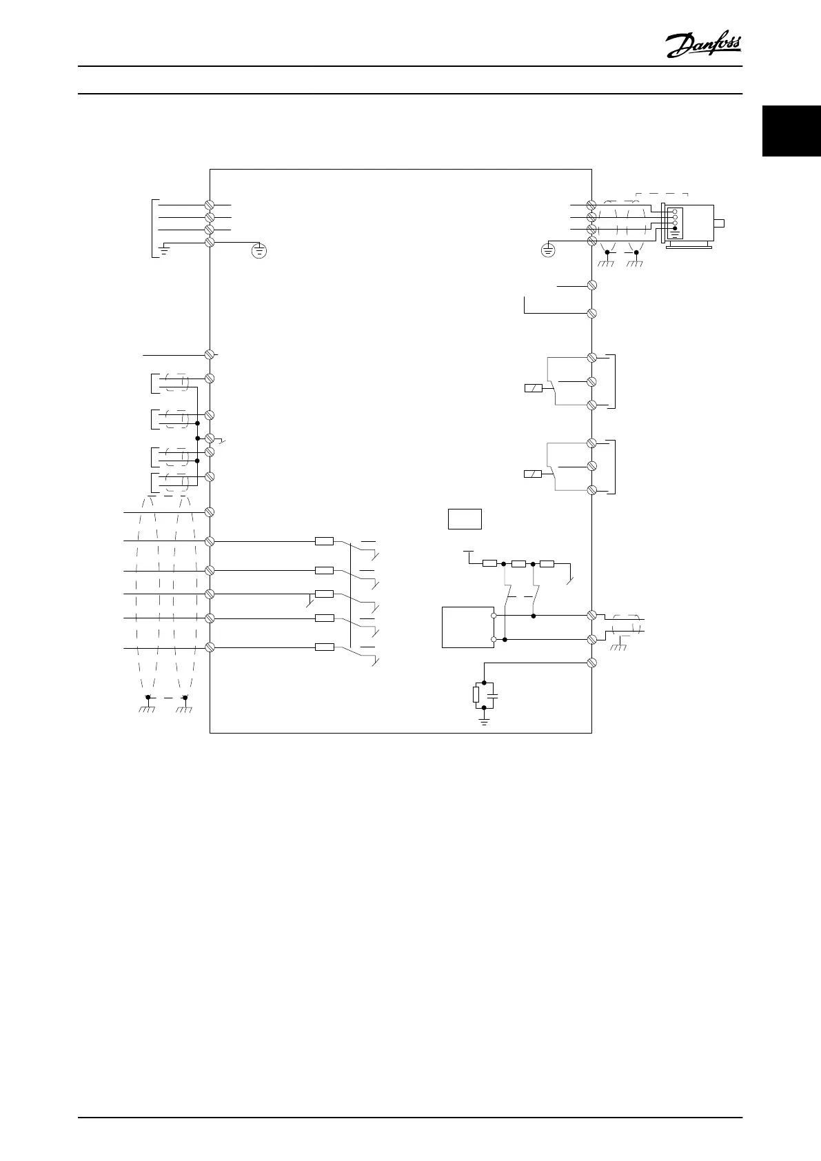
1.3.9 Electrical Overview
L1
L2
L3
3 Phase
power
input
PE
PE
+10Vdc
0-10Vdc-
0-10Vdc-
50 (+10V OUT)
54 (A IN)
53 (A IN)
55 (COM A IN/OUT)
0/4-20 mA
0/4-20 mA
42 0/4-20mA A OUT / DIG OUT
45 0/4-20mA A OUT / DIG OUT
18 (DIGI IN)
19 (DIGI IN)
27 (DIGI IN)
29 (DIGI IN)
12 (+24V OUT)
24V (NPN)
20 (COM D IN)
OV (PNP)
24V (NPN)
OV (PNP)
24V (NPN)
OV (PNP)
24V (NPN)
OV (PNP)
Bus ter.
Bus ter.
RS-485
Interface
RS-485
(N PS-485) 69
(P RS-485) 68
(Com RS-485 ) 61
(PNP)-Source
(NPN)-Sink
ON=Terminated
OFF=Unterminated
ON
1 2
240V AC 3A
Not present on all power sizes
Do not connect shield to
61 on 116,117 and 118 unites
01
02
03
relay1
relay2
UDC+
UDC-
Motor
U
V
W
130BB626.10
06
05
04
240V AC 3A
NOTE
Please note there is no access to UDC- and UDC+ on the following units:
IP20 380-480 V 30-90 kW
IP20 200-240 V 15-45 kW
IP20 525-600 V 2.2-90 kW
IP54 380-480 V 22-90 kW
Quick Guide VLT HVAC Basic Drive Quick Guide
MG18A302 - VLT
®
is a registered Danfoss trademark 19
1 1

Related product manuals