EasyManua.ls Logo

Dannmar D4-9 - Connecting to a Power Source

Dannmar D4-9
85 pages
Print Icon
To Next Page IconTo Next Page
To Next Page IconTo Next Page
To Previous Page IconTo Previous Page
To Previous Page IconTo Previous Page
Loading...
D4-9 / D4-9X Four-Post Lifts 46 P/N 5900251Rev. A1August 2021
Connecting to a Power Source
The standard Power Unit for your Lift is 110 VAC, 50/60 Hz, single phase.
An Electrician is not required to connect a 110 VAC Power Unit to a power source. But an Electrician
is required to install the Power Disconnect Switch and Thermal Disconnect Switch.
A 220 VAC Power Unit is also available.
An Electrician is required to connect a 220 VAC Power Unit to a power source and to install the Power
Disconnect Switch and Thermal Disconnect Switch.
Whichever Power Unit you ordered, it must be connected to an appropriate power source and
protected by an appropriate circuit breaker.
DANGER All wiring
must
be performed by a licensed, certified Electrician. Do not perform
any maintenance or installation on the Lift without first making sure that main
electrical power has been disconnected from the Lift and
cannot
be re-energized
until all procedures are complete.
Important electrical information:
Improper electrical installation can damage the Power Unit; this is
not
covered under warranty.
Use a separate circuit breaker for each Power Unit.
Protect each circuit with a time-delay fuse or circuit breaker. For a 110 VAC, single phase circuit,
use a 20 amp or greater circuit breaker. For a 220 VAC, single phase circuit, use a 25 amp or
greater circuit breaker.
DANGER The Lift uses electrical energy; if your organization has Lockout/Tagout policies,
make sure to implement them as soon as the Lift is connected to a power source.
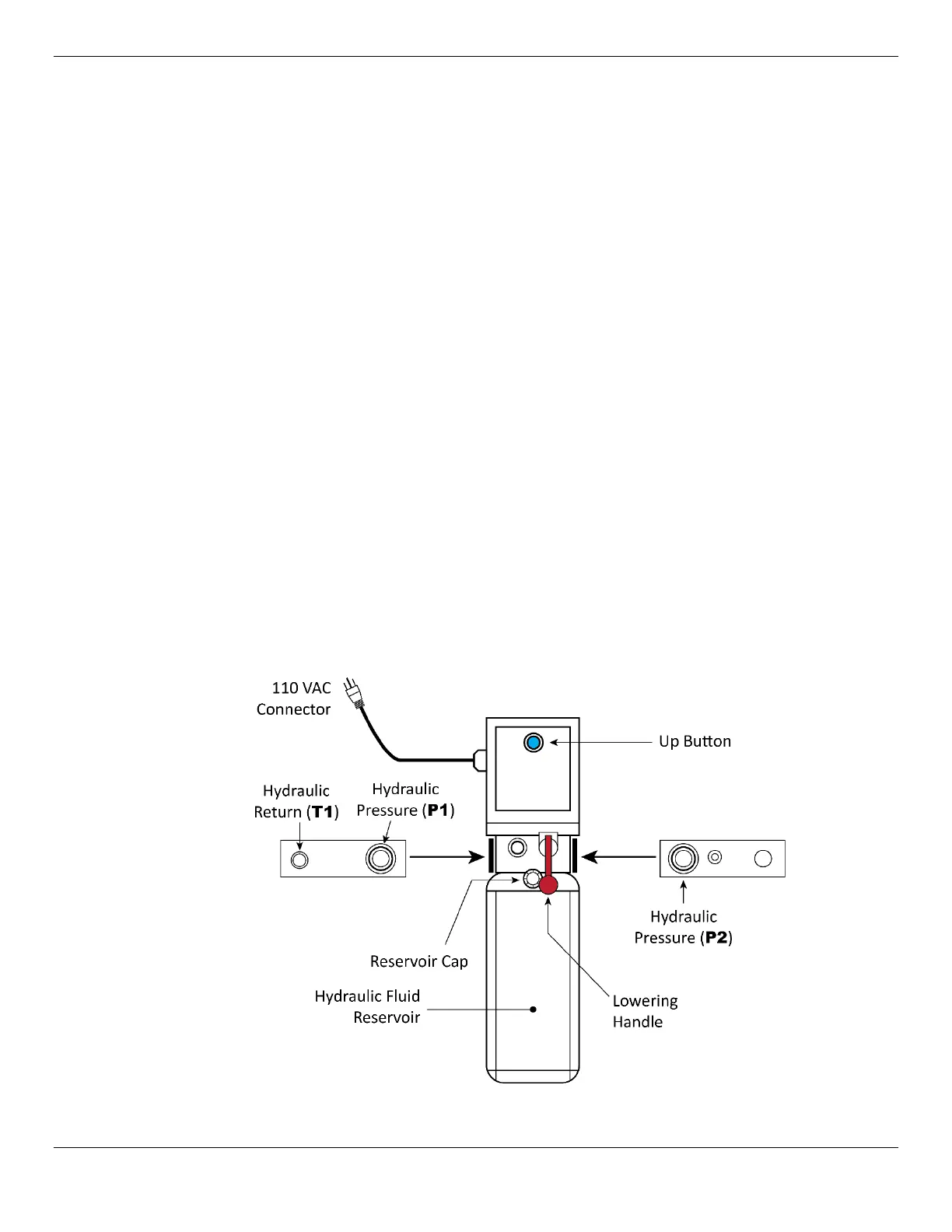
The following drawing shows the standard 110 VAC Power Unit.
Not drawn to scale. Not all components of the Power Unit are shown.

Related product manuals