EasyManua.ls Logo

Dannmar D4-9 - Page 47

Dannmar D4-9
85 pages
Print Icon
To Next Page IconTo Next Page
To Next Page IconTo Next Page
To Previous Page IconTo Previous Page
To Previous Page IconTo Previous Page
Loading...
D4-9 / D4-9X Four-Post Lifts 47 P/N 5900251Rev. A1August 2021
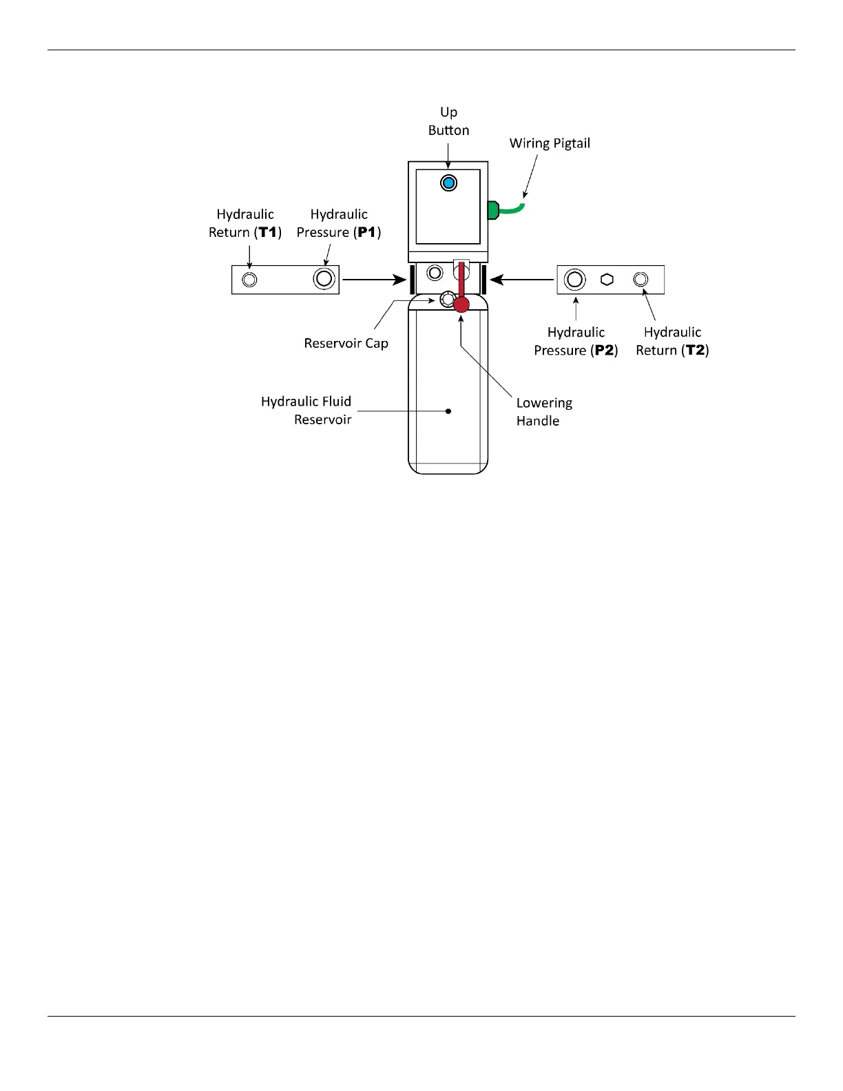
The following drawing shows the 220 VAC Power Unit.
Not drawn to scale. Not all components of the Power Unit shown.
To connect the Lift to a power source:
1. If you have the standard 110 VAC Power Unit, plug it in to 110 VAC power source.
2. If you have the optional 220 VAC Power Unit,
you must have an Electrician prepare it for
connection to a power source
.
3. Have the Electrician locate the Pigtail coming out of the Electrical Box on the Power Unit.
4. Open the Electrical Box, note where the Pigtail wires are connected, remove the Pigtail, and then
either:
Wire the Power Unit directly into the facility’s electrical system,
or
Wire a power cord with appropriate plug inside the Electrical box where the Pigtail was wired.
Do not use the Pigtail
.
Refer to Wiring Diagrams for additional wiring information.
5. Close the Electrical Box.
6. If you have a 220 VAC Power Unit and your Electrician wired a power cord and plug, plug it in to a
220 VAC power source.

Related product manuals