EasyManua.ls Logo

Davey ChloroMatic MCS36C - INSTALLATION INSTRUCTIONS FOR CHLOROMATIC; INSTALLING THE POWER SUPPLY UNIT; CONNECTING THE ELECTROLYTIC CELL

Davey ChloroMatic MCS36C
20 pages
Print Icon
To Next Page IconTo Next Page
To Next Page IconTo Next Page
To Previous Page IconTo Previous Page
To Previous Page IconTo Previous Page
Loading...
4
INSTALLATION INSTRUCTIONS FOR CHLOROMATIC (ESR and ESC)
Note: For ESCpH models, please read all instructions then refer to page 15-17 for more information.
INSTALLING THE POWER SUPPLY:
Select a convenient location that is not in line with direct sunlight, that is well-ventilated and within one metre
of the ltration equipment. Mount the Power Supply vertically, at a serviceable height of 1.5 metres above
ground level. Australian Standards requires that the Power Supply shall not be located within 3 meters of the
pool water. Plug the Power Supply into a suitable weatherproof outlet and plug the pool ltration pump into
the Chlorinator power outlet in the base of the Power Supply. The unit must be kept away from acid and other
chemical storage areas. Acid and chemical vapours will corrode the electronics inside the unit. It must also be
kept away from heat sources. Good ventilation is necessary for correct operation.
Two self-tapping screws and wall plugs have been provided for fast and simple installation. Simply cut out the
Template on page 19 for location of drill entry points. Use a 7mm masonry drill bit when tting Power Supply
to a brick or concrete wall. When mounting on a wall or a post in the pool equipment area, drill pilot holes and
t screws provided. Once screws are in position simply hang chlorinator via bracket on back of Unit.
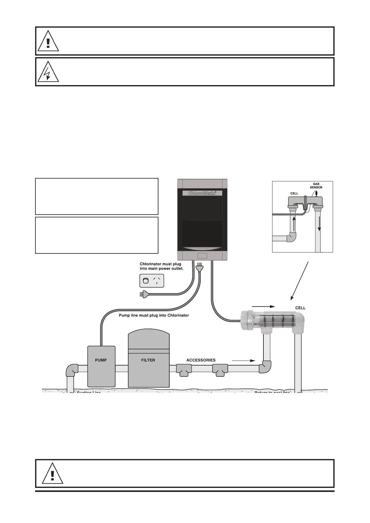
CONNECTING THE ELECTROLYTIC CELL TO THE POWER SUPPLY:
The Power Supply is tted with a exible lead terminated with brass connectors. These must be correctly and
securely tted to the connections on the Cell. To prevent incorrect connection the ttings have been colour
coded.
Flow
Flow
• Page 3 •
IMPORTANT:
This diagram is intended to conform with S.P.A.S.A.
for the safe operation of saline chlorinators. Any
deviation is at the installers risk and may void the
manufacturer’s warranty.
NOTE:
The cell must be tted to allow for easy removal and
cleaning, and positioned after all accessories such as
heater or pool cleaner, but before it divides if there is
more than one return to pool line.
Note: The gas sensors are pushed onto the gas sensor bolt. Not screwed on, even
though the gas sensor is threaded.
Note: The Chlorinator is not intended for use by young children or inrm persons without
supervision. Please ensure that young children are supervised to ensure that they do not play
with the Chlorinator.
Power connections and wiring must be carried out by an authorised electrician.
Example of
ESC50

Related product manuals