EasyManua.ls Logo

dbx Zone Pro 640 - System Setup

dbx Zone Pro 640
24 pages
Print Icon
To Next Page IconTo Next Page
To Next Page IconTo Next Page
To Previous Page IconTo Previous Page
To Previous Page IconTo Previous Page
Loading...
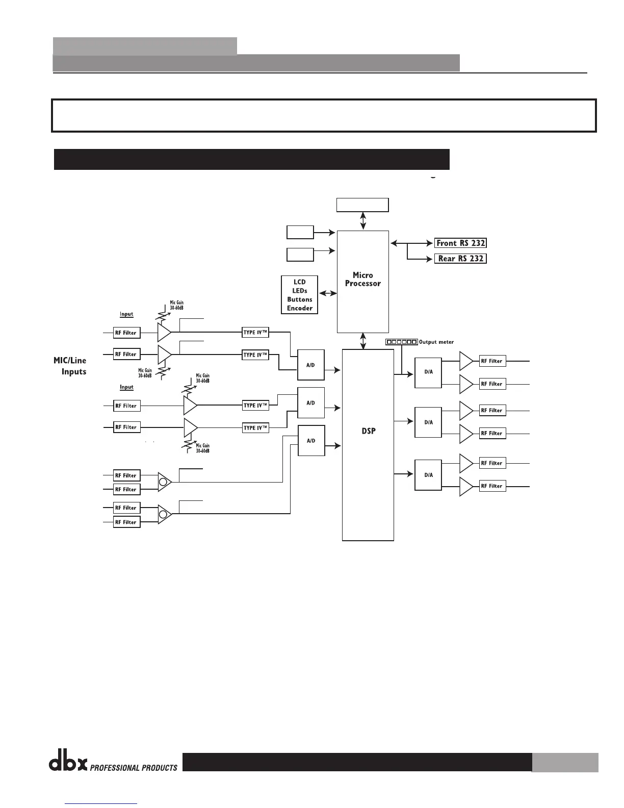
4.1 ZonePro 640m/641m Block Diagram
Appendix
Block Diagrams
13
®
L
R
L
R
+
+
Link In/Out
Link In/Out
Output 1
Output 2
Output 3
Output 4
Output 5
Output 6
ZC
Jack 1
ZC
Jack 2
1261 only
Zone Pro 640m/641m Block Diagram
Ethernet
Link In/Out
Link In/Out
ZonePro
TM
Section 4 - Appendix

Other manuals for dbx Zone Pro 640

Related product manuals