EasyManua.ls Logo

dbx Zone Pro 640 - System Setup Overview; Configuration Wizard Guide

dbx Zone Pro 640
24 pages
Print Icon
To Next Page IconTo Next Page
To Next Page IconTo Next Page
To Previous Page IconTo Previous Page
To Previous Page IconTo Previous Page
Loading...
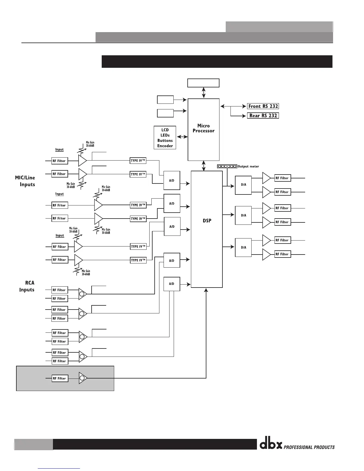
4.2 ZonePro 1260m/1261m Block Diagram
Appendix
Block Diagrams
®
14
L
R
L
R
+
+
Link In/Out
Link In/Out
Output 1
Output 2
Output 3
Output 4
Output 5
Output 6
ZC
Jack 1
ZC
Jack 2
1261 only
L
R
+
+
+
L
R
S/PDIF
Zone Pro 1260m/1261m Block Diagram
Ethernet
Link In/Out
Link In/Out
Link In/Out
Link In/Out
ZonePro
TM

Other manuals for dbx Zone Pro 640

Related product manuals