EasyManua.ls Logo

DCS BG27-BQRL - Wiring Diagrams; Wiring Diagram for BG27-BQ

DCS BG27-BQRL
32 pages
Print Icon
To Next Page IconTo Next Page
To Next Page IconTo Next Page
To Previous Page IconTo Previous Page
To Previous Page IconTo Previous Page
Loading...
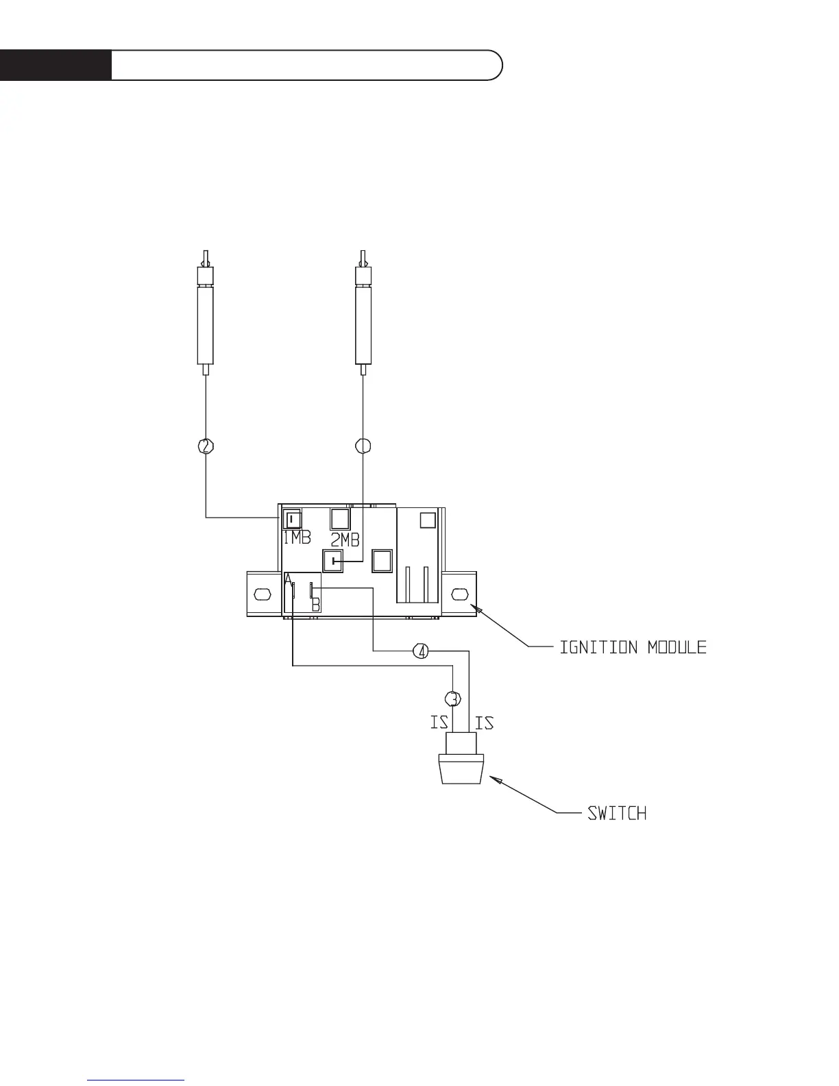
Wiring D iag ram for BG27-BQ
27

Related product manuals