EasyManua.ls Logo

DCS RDS-484GG - WIRING DIAGRAMS AND SCHEMATICS; RDS-48 Wiring Diagram & Schematic

DCS RDS-484GG
30 pages
Print Icon
To Next Page IconTo Next Page
To Next Page IconTo Next Page
To Previous Page IconTo Previous Page
To Previous Page IconTo Previous Page
Loading...
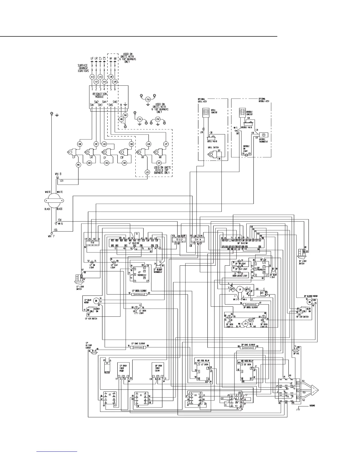
RDS-48 WIRING DIAGRAM
18
17468-01.eps Rev.A 08/02

Related product manuals