EasyManua.ls Logo

DCS RDS-484GG - RDS-36 Wiring Diagram & Schematic

DCS RDS-484GG
30 pages
Print Icon
To Next Page IconTo Next Page
To Next Page IconTo Next Page
To Previous Page IconTo Previous Page
To Previous Page IconTo Previous Page
Loading...
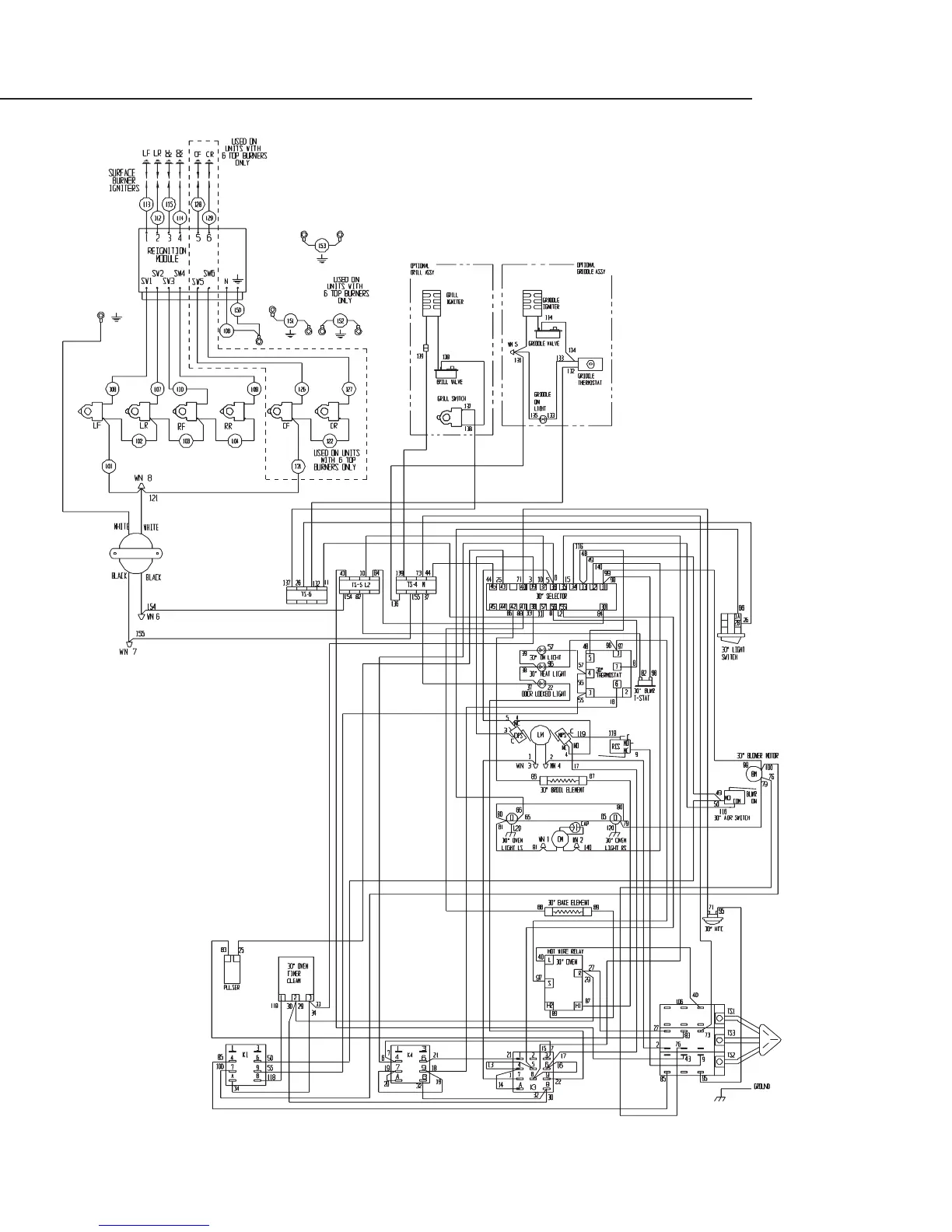
RDS-36 WIRING DIAGRAM
20
17469-01.eps Rev.A 08/02

Related product manuals