EasyManua.ls Logo

DCS RGS-305 - RGS 305 Wiring Diagram

DCS RGS-305
30 pages
Print Icon
To Next Page IconTo Next Page
To Next Page IconTo Next Page
To Previous Page IconTo Previous Page
To Previous Page IconTo Previous Page
Loading...
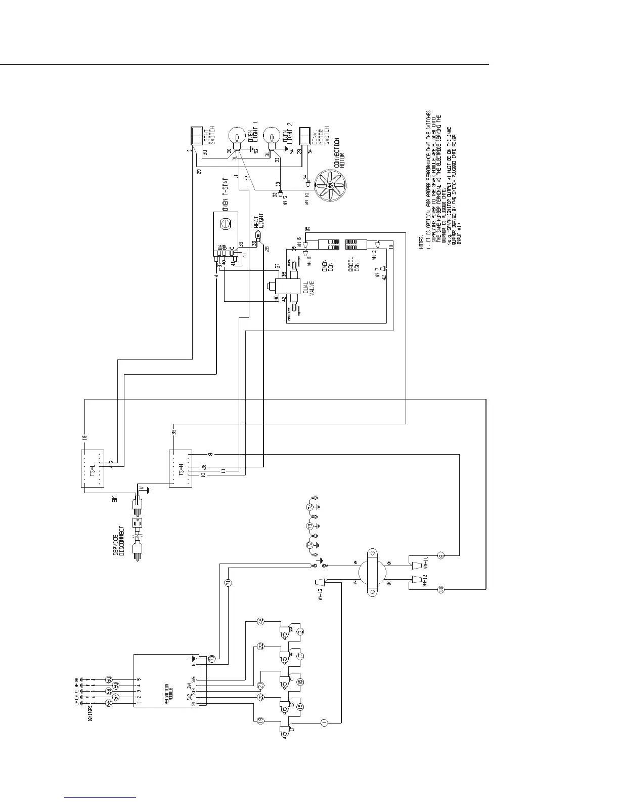
RGS-305 WIRING DIAGRAM
22

Related product manuals