EasyManua.ls Logo

Dell E153FPc - Software Flow Chart

Dell E153FPc
62 pages
Print Icon
To Next Page IconTo Next Page
To Next Page IconTo Next Page
To Previous Page IconTo Previous Page
To Previous Page IconTo Previous Page
Loading...
Dell E153FPc
17
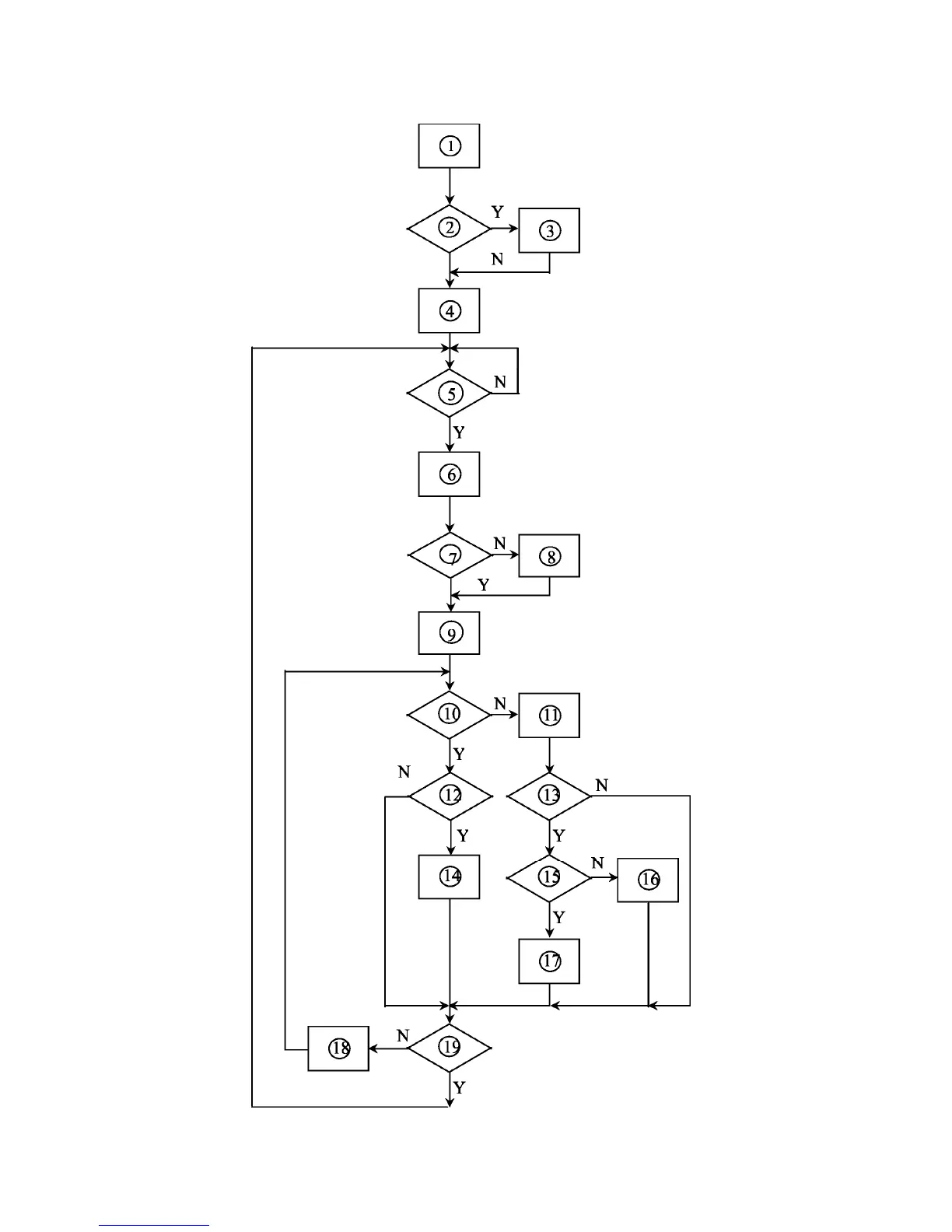
5.2 Software Flow Chart
www.ma163.com 电子技术资料网

Related product manuals