EasyManua.ls Logo

DeLonghi MAGNIFICA PLUS ECAM320 - Espresso Coffee Preparation

DeLonghi MAGNIFICA PLUS ECAM320
20 pages
Print Icon
To Next Page IconTo Next Page
To Next Page IconTo Next Page
To Previous Page IconTo Previous Page
To Previous Page IconTo Previous Page
Loading...
Doc. Nr.: DSDL_24024_B
[8]
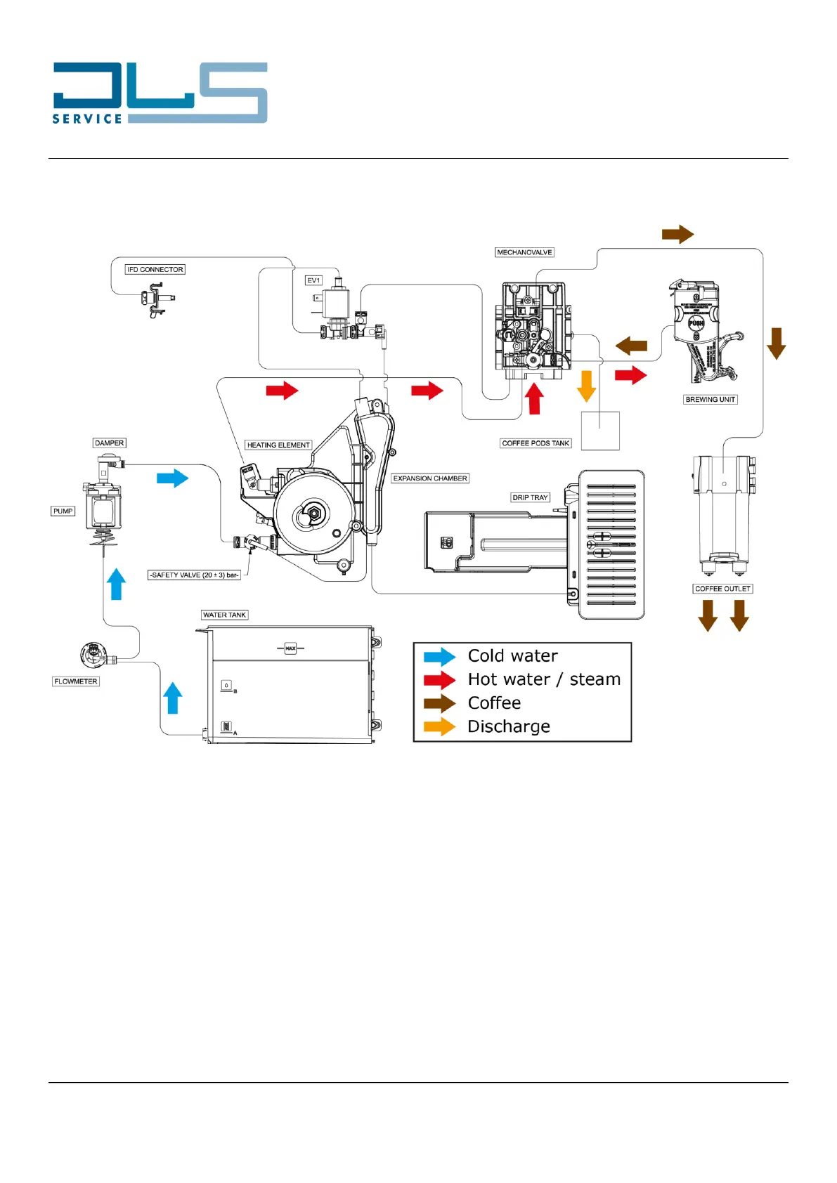
5.2 ESPRESSO COFFEE PREPARATION
Espresso Coffee Preparation Steps:
1. The Thermoblock is activated.
2. The Grinder is activated for a certain timing (based on the coffee taste selection).
3. The Infuser moves to the mechanical valve
4. The Pump is activated for a couple of seconds for pre-infusion
5. The Pump restarts in continuous mode to deliver the espresso coffee
6. The Pump stops, the Thermoblock turns OFF.
7. The Infuser moves away from the mechanical valve and releases the coffee pod.
8. The Mechanical Valve discharges the excess of water/coffee to the grounds container
9. The Infuser moves back to the “Ready for Coffee” position.

Related product manuals