EasyManua.ls Logo

DeLonghi MAGNIFICA PLUS ECAM320 - Hot Water Preparation

DeLonghi MAGNIFICA PLUS ECAM320
20 pages
Print Icon
To Next Page IconTo Next Page
To Next Page IconTo Next Page
To Previous Page IconTo Previous Page
To Previous Page IconTo Previous Page
Loading...
Doc. Nr.: DSDL_24024_B
[9]
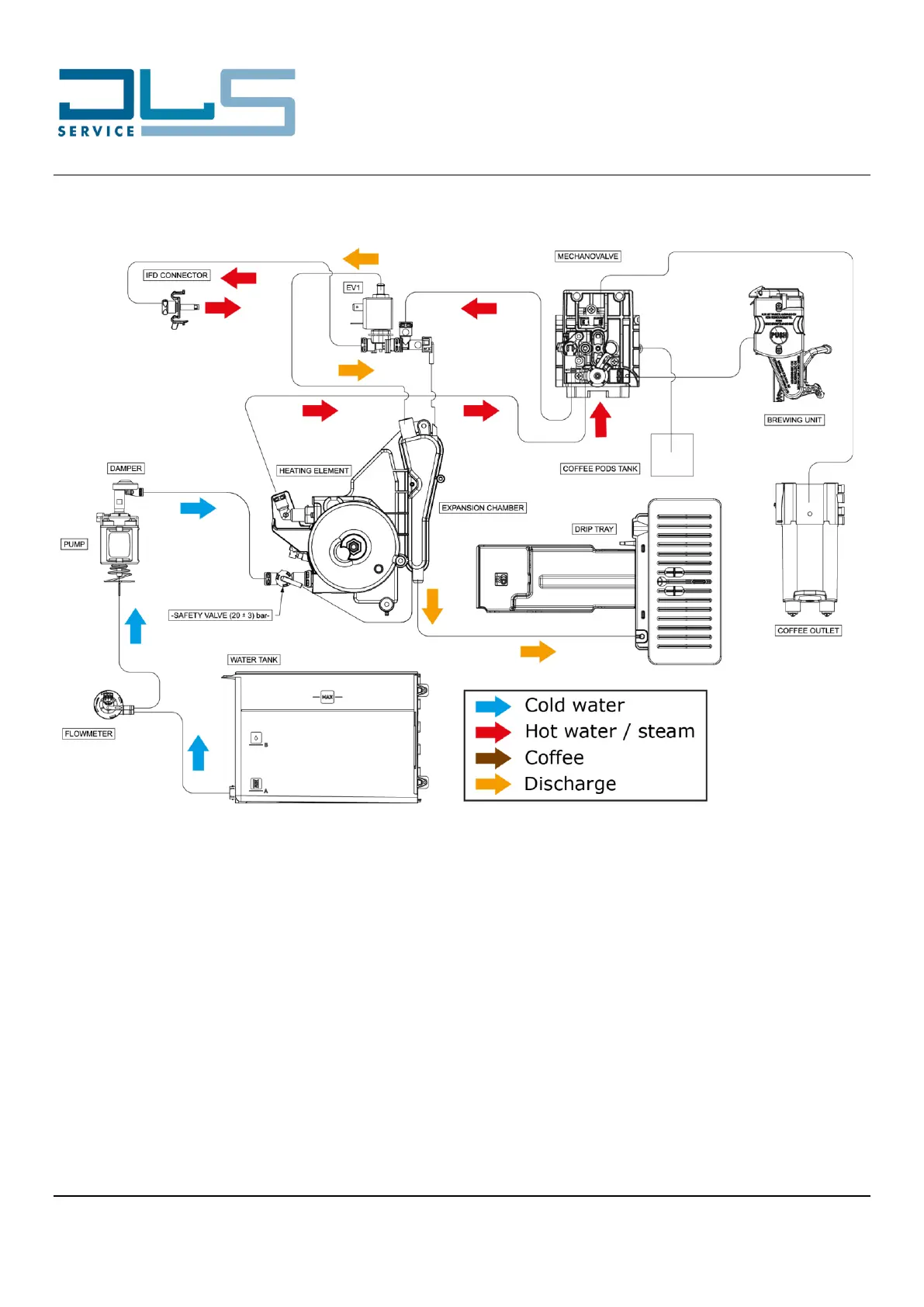
5.3 HOT WATER PREPARATION
Hot Water Preparation Steps:
1. The EV1 solenoid valve is activated.
2. The Thermoblock is activated.
3. The Pump is activated in fast pulsing mode for a certain timing.
4. The Hot Water is delivered through the hot water accessory attached to the nozzle.
5. The Pump stops, the EV1 solenoid valve and the Thermoblock are deactivated.
6. The residual water is discharged by the EV1 solenoid valve into the drip tray.
IMPORTANT NOTICE: This function can be activated only if the hot water accessory is attached to
the nozzle.

Related product manuals