EasyManua.ls Logo

Delphia 33 - Page 66

Default Icon
102 pages
Print Icon
To Next Page IconTo Next Page
To Next Page IconTo Next Page
To Previous Page IconTo Previous Page
To Previous Page IconTo Previous Page
Loading...
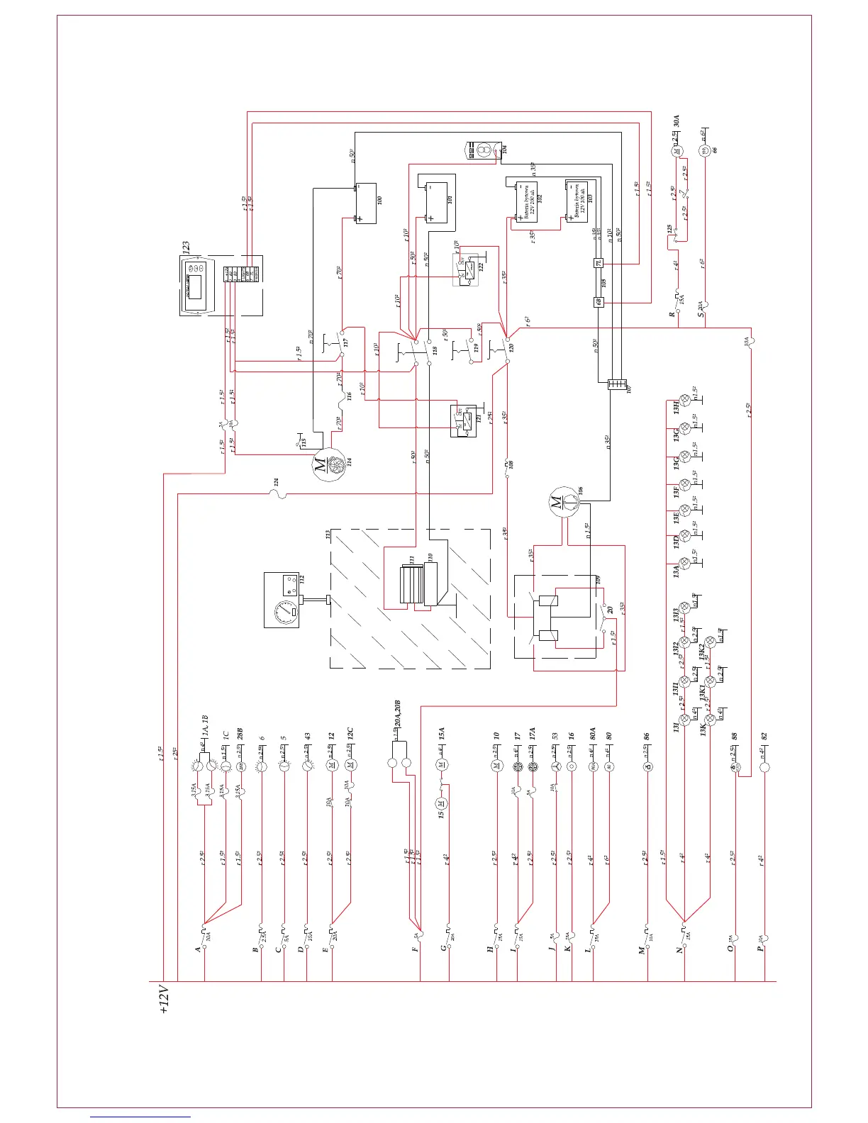
ELECTRICINSTALLATIONSCHEMED-33
Bateriastartowa
12V 75ah
Bateriasteru
strumieniowego
12V 100ah
63/99

Table of Contents