EasyManua.ls Logo

Delphia 33 - Page 79

Default Icon
102 pages
Print Icon
To Next Page IconTo Next Page
To Next Page IconTo Next Page
To Previous Page IconTo Previous Page
To Previous Page IconTo Previous Page
Loading...
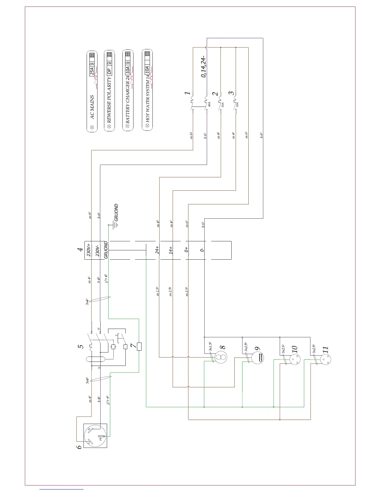
D-33115V/230VACINSTALLATIONSCHEME
76/99
ON

Table of Contents