EasyManua.ls Logo

Delta Electronics ASDA-A2 Series - 3.3 Basic Wiring

Delta Electronics ASDA-A2 Series
583 pages
Print Icon
To Next Page IconTo Next Page
To Next Page IconTo Next Page
To Previous Page IconTo Previous Page
To Previous Page IconTo Previous Page
Loading...
Chapter 3 Connections and Wiring
Revision January 2011 3-19
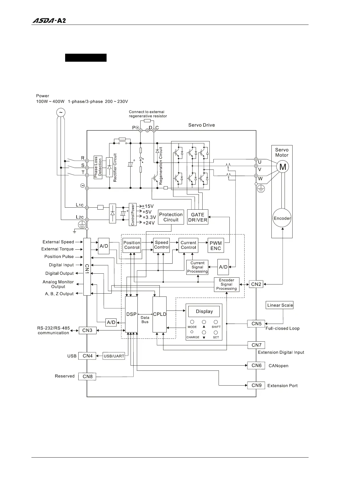
3.3 Basic Wiring
3.3.1 220V series
Figure 3.6 Basic Wiring Schematic of 400W and below models
(Without built-in regenerative resistor)
Call 1(800)985-6929 for Sales
deltaacdrives.com
sales@deltaacdrives.com
Call 1(800)985-6929 for Sales
deltaacdrives.com
sales@deltaacdrives.com

Related product manuals