EasyManua.ls Logo

Delta Electronics ASDA-A2 Series - Page 85

Delta Electronics ASDA-A2 Series
583 pages
Print Icon
To Next Page IconTo Next Page
To Next Page IconTo Next Page
To Previous Page IconTo Previous Page
To Previous Page IconTo Previous Page
Loading...
Chapter 3 Connections and Wiring
3-44 Revision January 2011
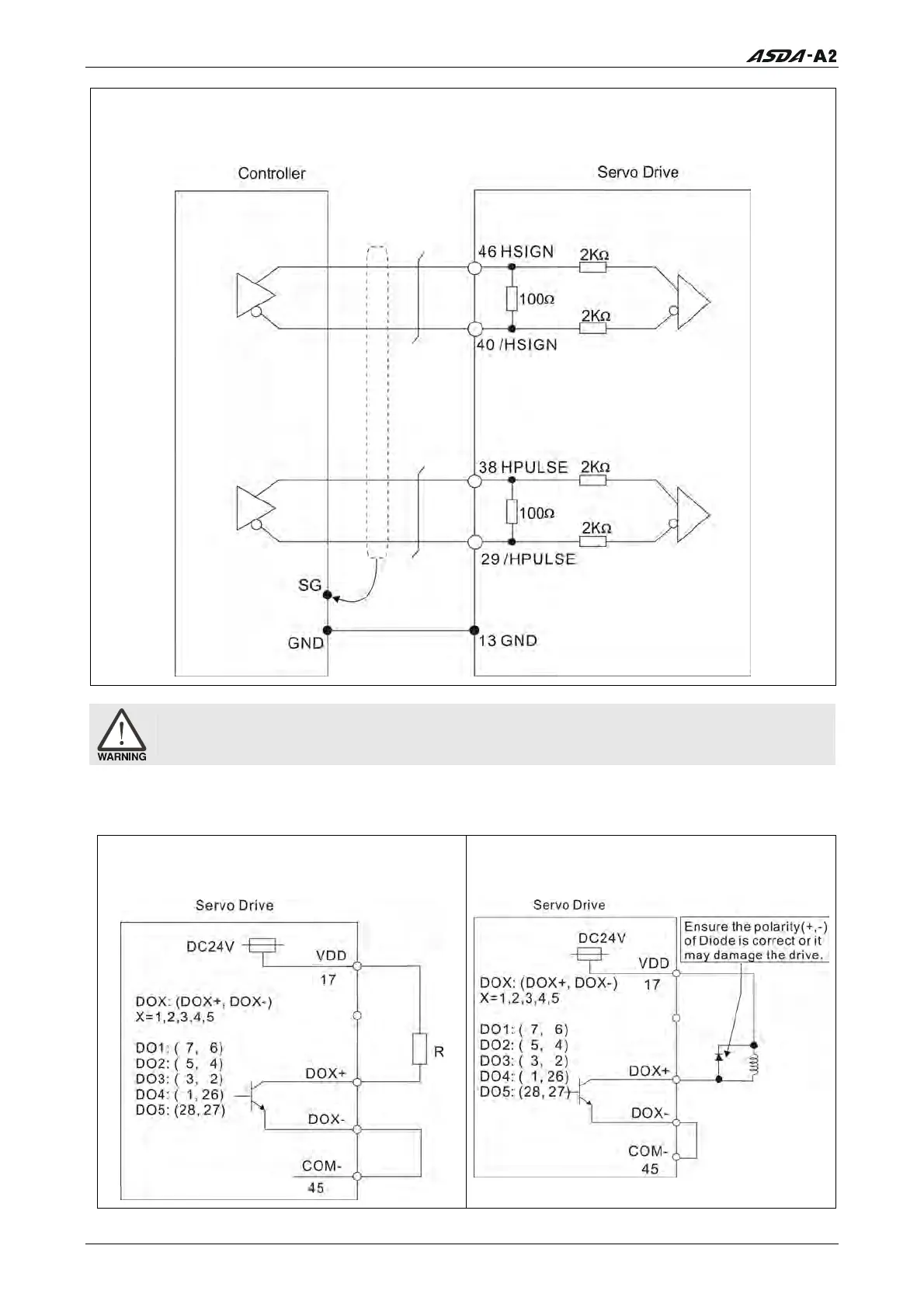
C4-2: High-speed pulse input (Line driver). It requires 5V power supply only. Never apply a 24V
power supply.
Caution: Ensure that the ground terminal of the controller and the servo drive should be
connected to each other.
Be sure to connect a diode when the drive is applied to inductive load.
(Permissible current: 40mA, Instantaneous peak current: max. 100mA)
C5: Wiring of DO signal, for the use of internal
power supply, general load
C6: Wiring of DO signal, for the use of internal
power supply, inductive load
Call 1(800)985-6929 for Sales
deltaacdrives.com
sales@deltaacdrives.com
Call 1(800)985-6929 for Sales
deltaacdrives.com
sales@deltaacdrives.com

Related product manuals