EasyManua.ls Logo

Delta AS332T-A - Page 184

Delta AS332T-A
662 pages
Print Icon
To Next Page IconTo Next Page
To Next Page IconTo Next Page
To Previous Page IconTo Previous Page
To Previous Page IconTo Previous Page
Loading...
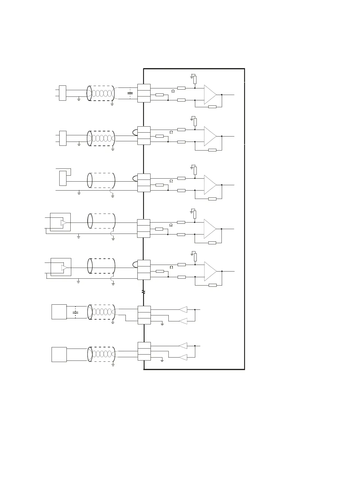
4.6.9.4 Wiring Details on AS218PX-A/AS218RX-A/AS218TX-A
1M
AG
1M
1M
AG
1M
25 0
250
VO2
IO2
AG
Current output
0mA~20mA
AG
VO1
IO1
AG
Voltage o utput
-10V ~+10V
*5
AG
1M
AG
1M
250
Shielded c able *1
4-wi re: voltage i nput
-10V~+10V
V1+
I1+
VI1-
CHX-I
2-wire: c urrent i nput
V2+
I2+
VI2-
*3
*2
+
-
Shielded c able *1
4-wi re: curr ent i nput
-20mA~+20mA
V2+
I2+
VI2-
*2
+
-
+
-
+24V
0V
+24V
0V
4m A~+20m A
+24V
0V
V1+
I1+
VI1-
1M
AG
1M
250
3-wire: v oltage i nput
1M
AG
1M
25 0
-20 mA~+20 mA
+24V
+
-
V2+
I2+
VI2-
*2
-10V~+10V
+24V
+
-
0V
0V
* 6
CHX-I
* 6
CHX-I
*6
CHX-I
* 6
CHX-I
* 6
CHX-O
*6
CHX-O
*6
Shielded c able *1
Shielded c able *1
Shielded c able *1
2-wire: c urrent i nput
Shielded c able *4
Shielded c able *4
AC motor drive,
recorder,
proportioning v alve
AC motor drive,
recorder,
proportioning v alve
Send Quote Requests to info@automatedpt.com
Call +1(800)985-6929 To Order or Order Online At Deltaacdrives.com
Send Quote Requests to info@automatedpt.com
Call +1(800)985-6929 To Order or Order Online At Deltaacdrives.com

Table of Contents

Related product manuals