EasyManua.ls Logo

Delta DVP20SX211R - Transistor (T) output circuit wiring; Transistor output - NPN type (SX211 T); Transistor output - PNP type (SX211 S)

Delta DVP20SX211R
16 pages
Print Icon
To Next Page IconTo Next Page
To Next Page IconTo Next Page
To Previous Page IconTo Previous Page
To Previous Page IconTo Previous Page
Loading...
- 6 -
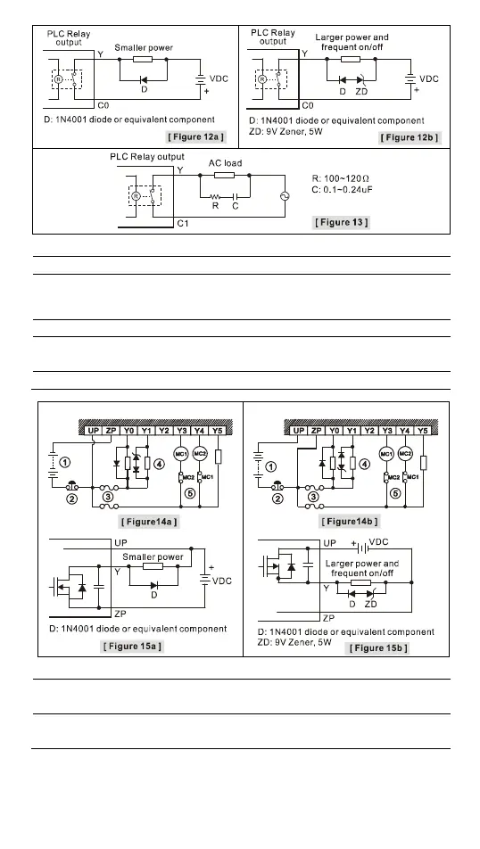
1
DC power supply
2
Emergency stop: Uses external switch
3
Fuse: Uses 5~10A fuse at the shared terminal of output contacts to protect the output circuit
4
Transient voltage suppressor (SB360 3A 60V): To extend the life span of contact.
1. Diode suppression of DC load: Used when in smaller power (Figure 12a)
2. Diode + Zener suppression of DC load: Used when in larger power and frequent On/Off
(Figure 12b)
5
Incandescent light (resistive load)
6
AC power supply
7
Manually exclusive output: For example, Y3 and Y4 control the forward running and reverse
running of the motor, forming an interlock for the external circuit, together with the PLC
internal program, to ensure safe protection in case of any unexpected errors.
8
Absorber: To reduce the interference on AC load (Figure 13)
Transistor (T) output circuit wiring
Transistor output - NPN type (SX211T): Transistor output - PNP type (SX211S):
1
DC power supply
2
Emergency stop
3
Circuit protection fuse
4
TVS diode: Prolongs the contacts’ durability for greater service life.
1. Diode suppression: Used when in smaller power (Figure 15a)
2. Diode + Zener suppression: Used when in larger power and frequent On/Off (Figure 15b)
5
Manually exclusive output: For example, Y3 and Y4 control the forward running and reverse
running of the motor, forming an interlock for the external circuit, together with the PLC
internal program, to ensure safe protection in case of any unexpected errors.

Related product manuals