EasyManua.ls Logo

Delta DVP20SX211R - Input Point Wiring; DC Signal IN - SINK mode; DC Signal IN - SOURCE mode; Output Point Wiring

Delta DVP20SX211R
16 pages
Print Icon
To Next Page IconTo Next Page
To Next Page IconTo Next Page
To Previous Page IconTo Previous Page
To Previous Page IconTo Previous Page
Loading...
- 5 -
the operation of the PLC and all outputs will go OFF. When the power returns to
normal status, the PLC will automatically resume operation. (Care should be taken
on the latched auxiliary relays and registers inside the PLC when programming).
Input Point Wiring
There are 2 types of DC inputs, SINK and SOURCE. (See the example below. For
detailed point configuration, please refer to the specification of each model.)
DC Signal IN – SINK mode
Input point loop equivalent circuit
DC Signal IN – SOURCE mode
Input point loop equivalent circuit
24G
+24V
S/S
X0
X1
[ Figure 7 ]
+24V
24G
S/S
X0
X1
[ Figure 8 ]
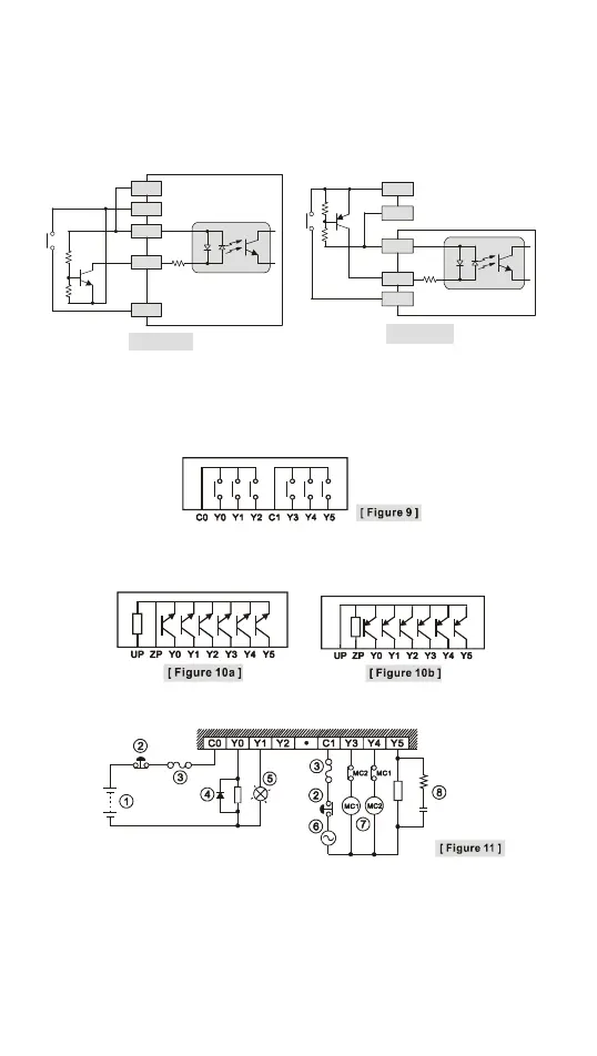
Output Point Wiring
1. DVP-SX2 series have three output modules, relay and transistor (NPN/PNP). Be
aware of the connection of shared terminals when wiring output terminals.
2. Output terminals, Y0, Y1, and Y2, of relay models use C0 common port; Y3, Y4, and
Y5 use C1 common port; as shown in the [Figure 9]. When output points are enabled,
their corresponding indicators on the front panel will be on.
3. The output terminals Y0~Y5 of the transistor (NPN) model are connected to the
common terminals UP and ZP. See [Figure 10a]. The output terminals Y0~Y5 on the
transistor (PNP) model are connected to the common terminals UP and ZP. See
[Figure 10b].
4. Isolation circuit: The optical coupler is used to isolate signals between the circuit
inside PLC and input modules.
Relay (R) output circuit wiring

Related product manuals