EasyManua.ls Logo

Delta KPC-CC01 - Page 702

Delta KPC-CC01
868 pages
Print Icon
To Next Page IconTo Next Page
To Next Page IconTo Next Page
To Previous Page IconTo Previous Page
To Previous Page IconTo Previous Page
Loading...
Chapter 16 PLC Function ApplicationsCP2000
16-19
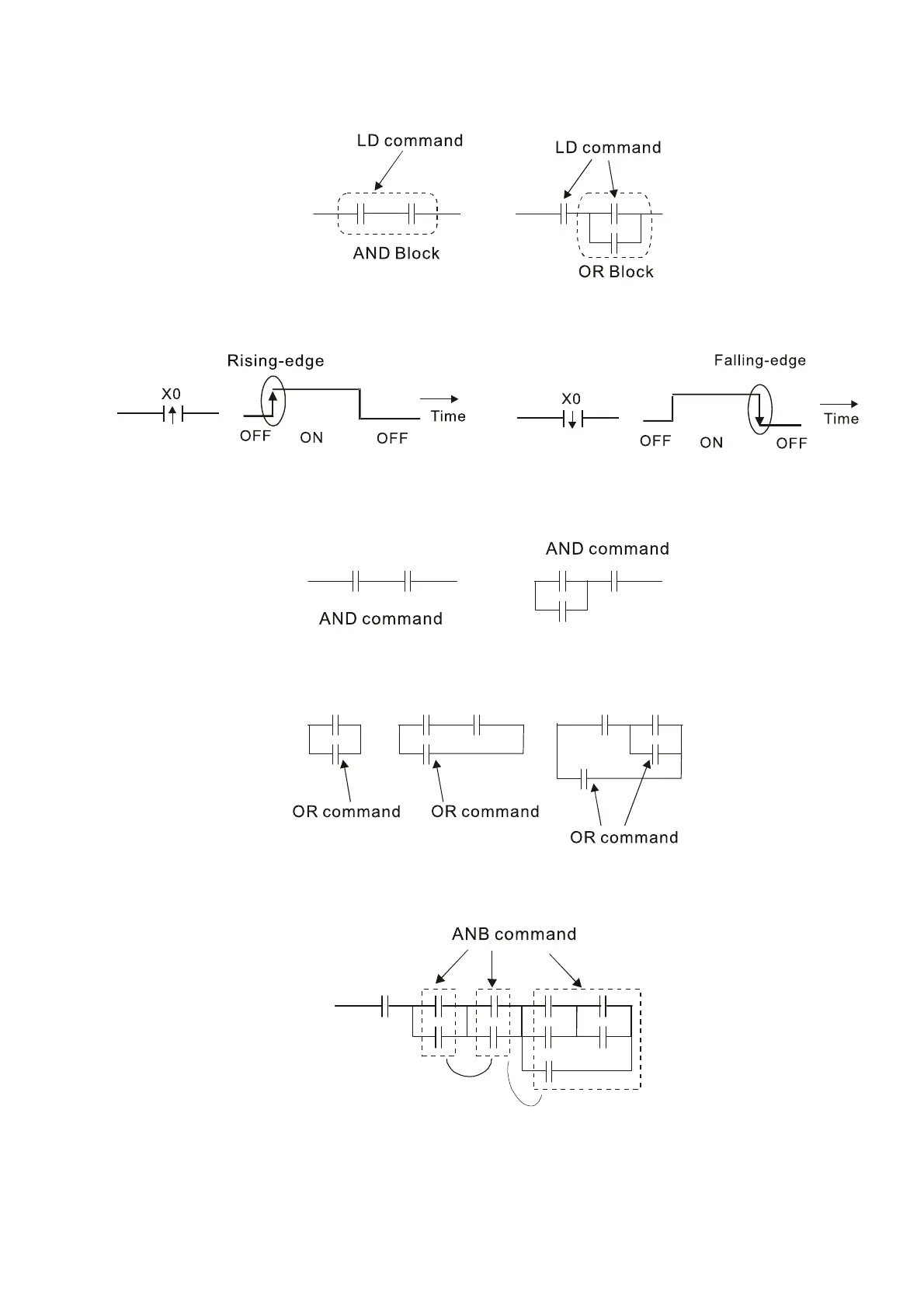
Explanation of basic structure of ladder diagrams
LD (LDI) command: An LD or LDI command is given at the start of a block.
LDP and LDF have this command structure, but there are differences in their action state. LDP, LDF
only act at the rising or falling edge of a conducting contact. (see figure below):
AND (ANI) command: A series configuration in which a single device is connected with one device
or a block.
ANDP, ANDF also have structures like this, but their action occurs at the rising and falling edge.
OR (ORI) command: A single device is connected with one device or a block.
ORP, ORF also have identical structures, but their action occurs at the rising and falling edge.
ANB command: A configuration in which one block is in series with one device or block.

Table of Contents

Related product manuals