EasyManua.ls Logo

Delta TP70P - 1.8 Wiring

Delta TP70P
65 pages
Print Icon
To Next Page IconTo Next Page
To Next Page IconTo Next Page
To Previous Page IconTo Previous Page
To Previous Page IconTo Previous Page
Loading...
TP70P Quick Start
1-12
1.8
Wiring
1.8.1
Wiring a Power Input Connector
The power supplied to TP70P is DC power. When users use TP70P, they have to note the following points.
Please connect wires to the terminals +24V and 0V. The power supplied to TP70P should be in the range
of 20.4 V DC to 28.8 V DC. If the voltage of the power supplied to TP70P is less than 20.4 V DC, TP70P
will stop running, and output devices will be off.
If a power cut is shorter than 10 milliseconds, TP70P will not stop running. If a short cut is long, or the
voltage of the power supplied to TP70P decreases, TP70P will stop running, and output devices will be off.
If power is restored after a power cut, TP70P will automatically resume running. (There are latching
auxiliary relays and retentive registers in TP70P. Users should use them carefully when they design a
program.)
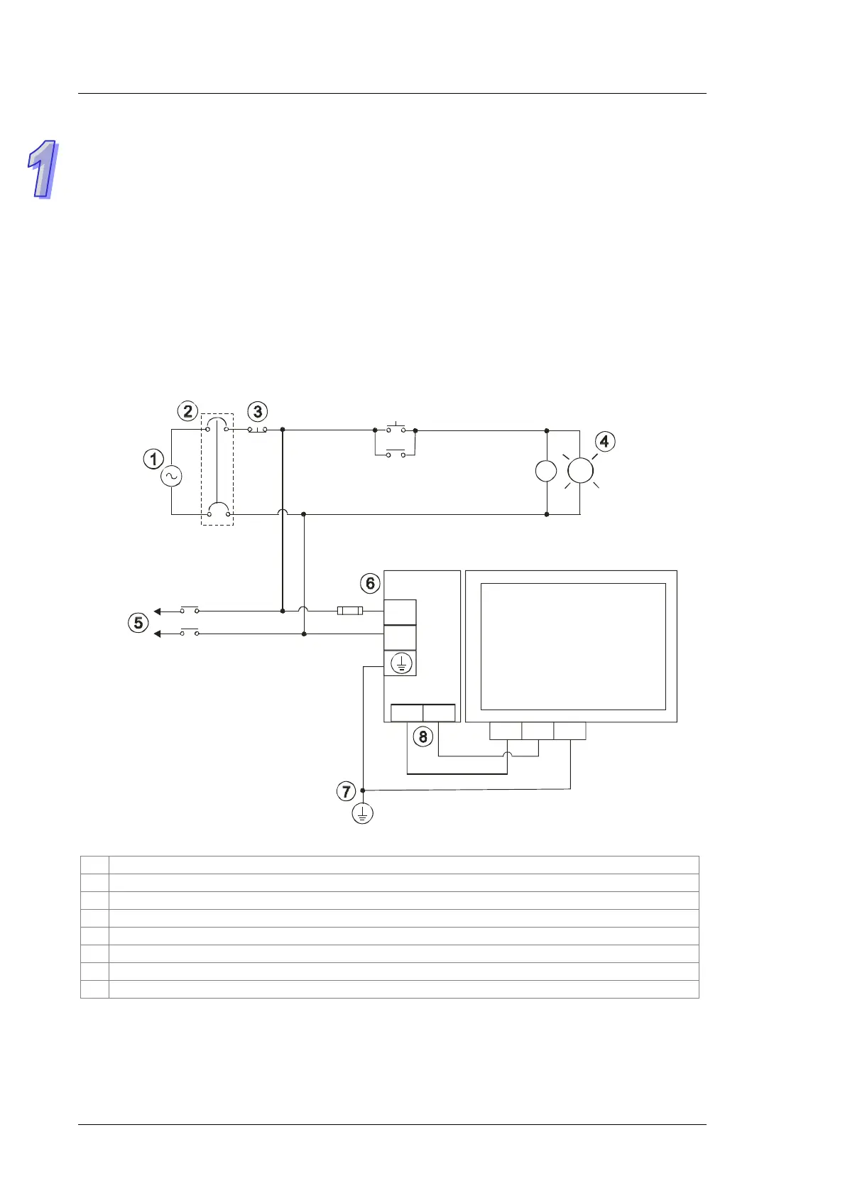
The power supplied to TP70P is DC power. A Delta power supply module (DVPPS02/DVPPS05) can be
used to supply power to TP70P. In order to protect DVPPS02/DVPPS05, users need to have the protection
circuit shown below.
24V
0V
AC
100~240V
50/60Hz
2A
DVPPS02
L
N
MC
TP70
24V
0V FE
AC power supply: 100~240 V AC, 50/60 Hz
Circuit breaker
Emergency stop: An emergency stop button can be used to cut off power when an emergency occurs.
Power indicator
AC load
2 A fuse
Ground (Impedance: Less than 100 )
DC power supply: 24 V DC

Table of Contents

Related product manuals