EasyManua.ls Logo

Delta VFD055ED43S

Delta VFD055ED43S
447 pages
To Next Page IconTo Next Page
To Next Page IconTo Next Page
To Previous Page IconTo Previous Page
To Previous Page IconTo Previous Page
Loading...
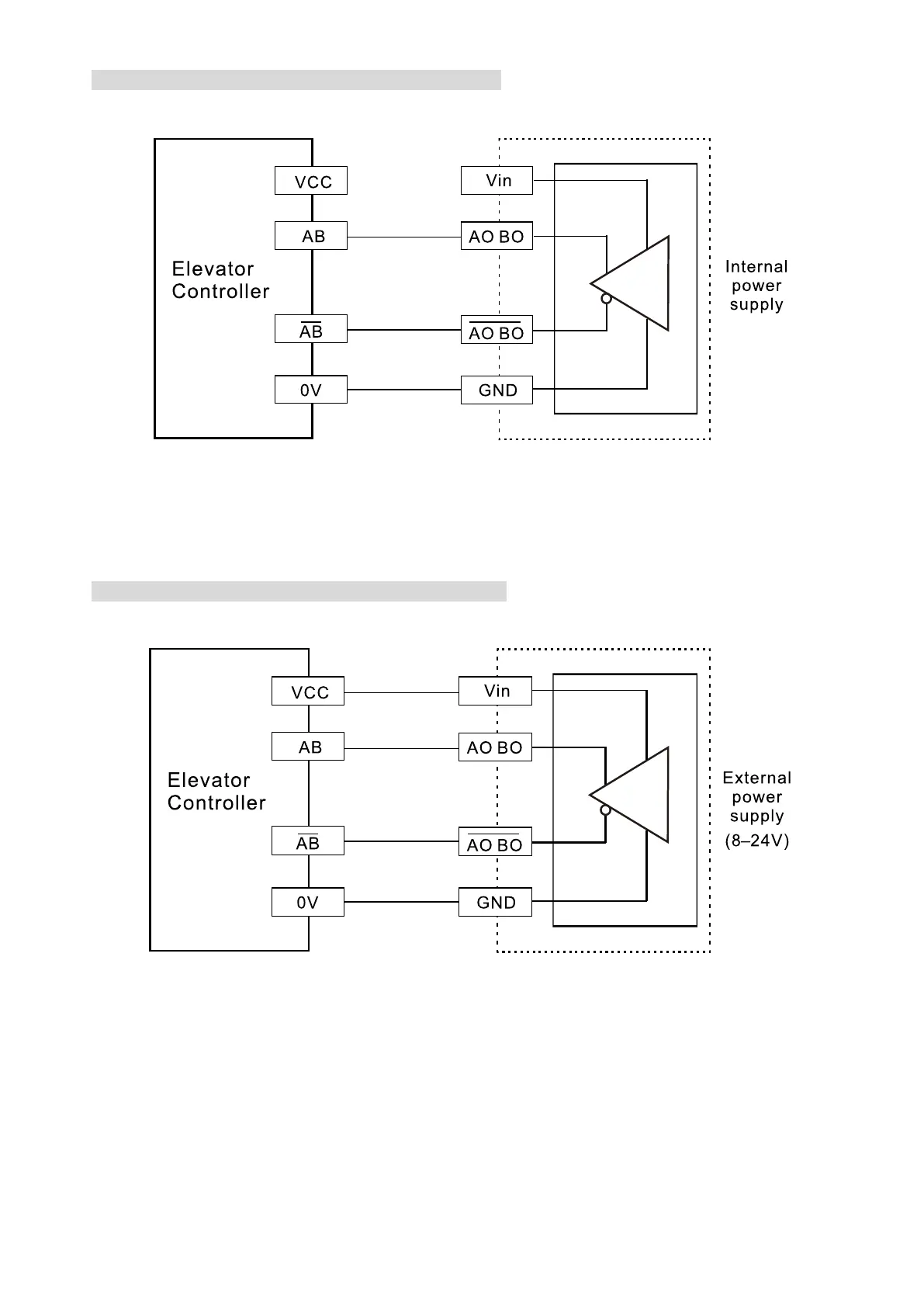
Chapter 7 Option Cards | VFD-ED
7-31
Line Driver Frequency Division (internal power supply)
Figure 7-31
Line Driver Frequency Division (external power supply)
Figure 7-32

Table of Contents

Related product manuals