EasyManua.ls Logo

Delta VFD1100C43A-HS - Page 442

Delta VFD1100C43A-HS
814 pages
To Next Page IconTo Next Page
To Next Page IconTo Next Page
To Previous Page IconTo Previous Page
To Previous Page IconTo Previous Page
Loading...
Chapter 12 Description of Parameter SettingsC2000-HS
12.1-10-5
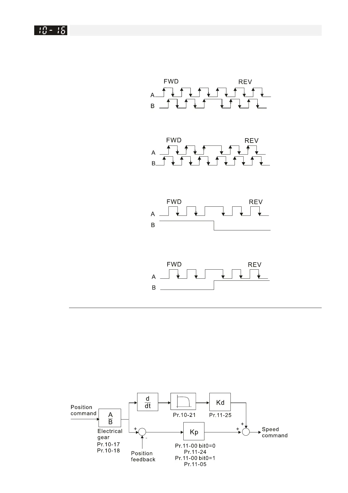
Pulse Input Type Setting
Default: 0
Settings 0: Disable
1: A/B phase pulse input, run forward if the A-phase leads the B-phase by 90
degrees.
2: A/B phase pulse input, run forward if the B-phase leads the A-phase by 90
degrees.
3: Phase A is a pulse input and phase B is a direction input
(L = reverse direction, H = forward direction).
4: Phase A is a pulse input and phase B is a direction input
(L = forward direction, H = reverse direction).
5: MI8 single-phase pulse input
When this setting is different from the Pr. 10-02 setting and the source of the frequency
command is pulse input (Pr. 00-20 set to 4 or 5), it causes a four-time frequency problem.
Example:
Assume that Pr. 10-01=1024, Pr. 10-02=1, Pr. 10-16=3, Pr. 00-20=5, MIx = 37 and ON, then the
pulse needed to rotate the motor one revolution is 4096 (1024*4).
Assume that Pr. 10-01=1024, Pr. 10-02=1, Pr. 10-16=1, Pr. 00-20=5, MIx = 37 and ON, the
pulse needed to rotate the motor one revolution is 1024 (1024*1).
Position control diagram

Table of Contents

Related product manuals