EasyManua.ls Logo

Delta VFD1100C43A-HS - Page 504

Delta VFD1100C43A-HS
814 pages
To Next Page IconTo Next Page
To Next Page IconTo Next Page
To Previous Page IconTo Previous Page
To Previous Page IconTo Previous Page
Loading...
Chapter 12 Description of Parameter SettingsC2000-HS
12.2-00-34
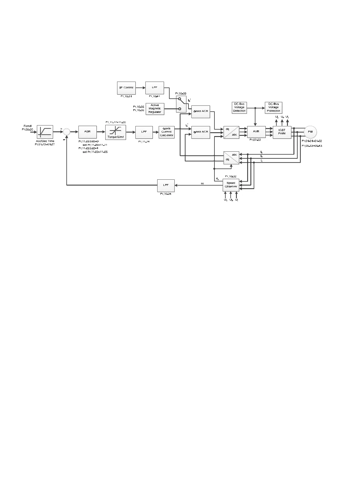
12-2-5 Permanent Magnet Motor Adjustment (PM Sensorless)
12-2-5-1 Pr.00-11=6 PM FOC sensorless vector control (PM FOC sensorless)
1. Control Diagram
PM sensorless FOC mode (applicable for C2000-HS V2.05 and above)
PM Sensorless FOC control is the control method dedicated for permanent magnet motor. It
uses the characteristic of the magnetic flux varies with the rotor speed and rotor angle, to
calculate the motor’s rotor position and speed.

Table of Contents

Related product manuals