EasyManua.ls Logo

Delta VFD300C43A-21 - Page 1087

Delta VFD300C43A-21
1259 pages
Print Icon
To Next Page IconTo Next Page
To Next Page IconTo Next Page
To Previous Page IconTo Previous Page
To Previous Page IconTo Previous Page
Loading...
Chapter 16 PLC Function ApplicationsC2000 Plus
16-24
Example 8: Flashing circuit
The following figure shows an oscillating circuit of a type commonly used to cause an indicator
light to flash or a buzzer to buzz. It uses two timers to control the On and Off time of Y1 coil.
Here n1, n2 are the timing set values of T1 and T2, and T is the clock cycle of the timer.
T1
Y1
Y1
n1*T
TMR
T1 Kn1
X0
T2
X0
TMR
T2 Kn2
T1
X0
n2*T
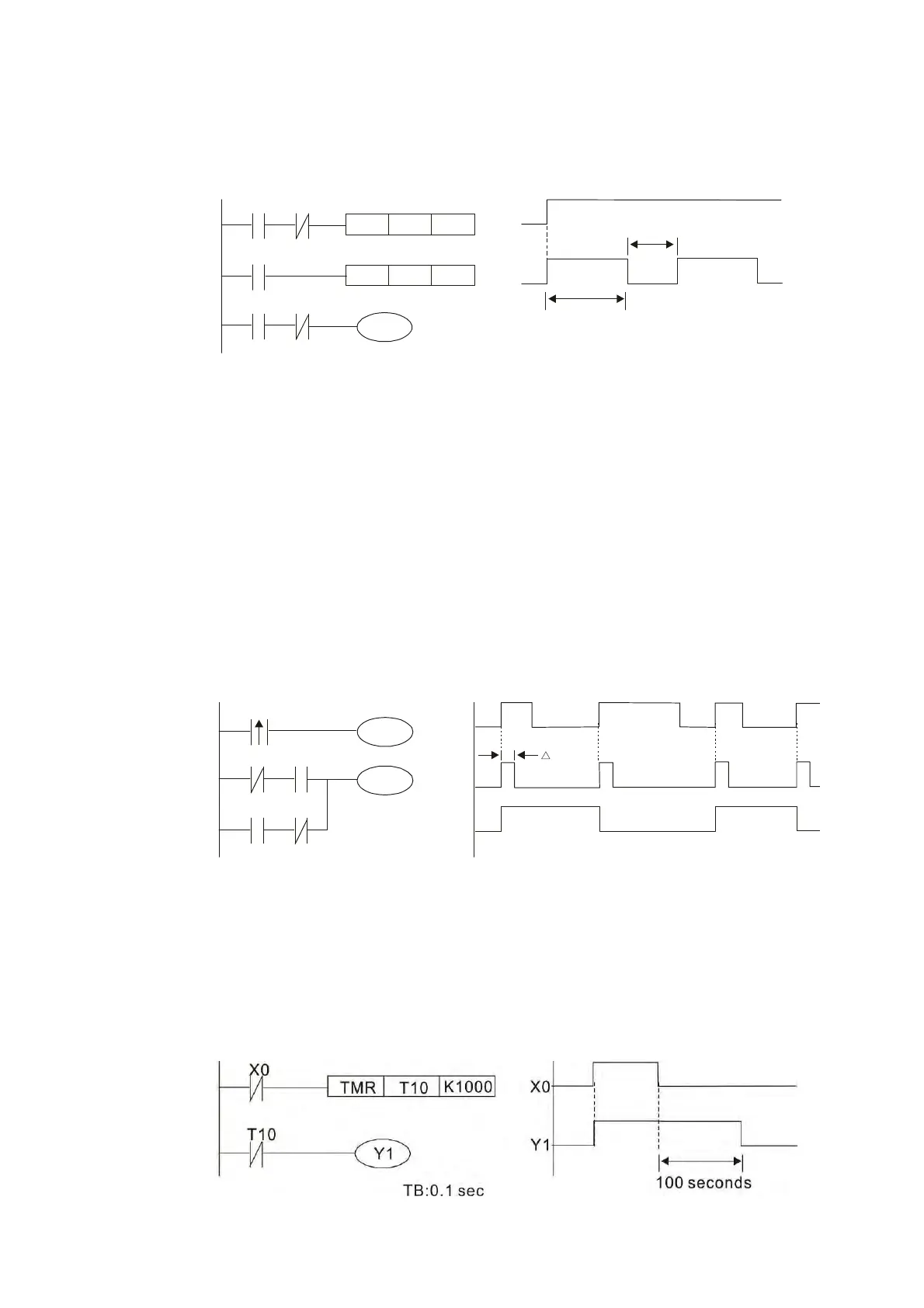
Example 9: Triggering circuit
In the figure below, a command consisting of the differential of the rising edge of X0 causes
coil M0 to generate a single pulse for ΔT (length of one scanning cycle), and coil Y1 is
electrified during this scanning cycle. Coil M0 loses power during the next scanning cycle,
and NC contact M0 and NC contact Y1 are both closed. This causes coil Y1 to stay in an
electrified state until there is another rising edge in input X0, which again causes the
electrification of coil M0 and the start of another scanning cycle, while also causing coil Y1 to
lose power, etc. The sequence of these actions can be seen in the figure below. This type of
circuit is commonly used to enable one input to perform two actions in alternation. It can be
seen from the time sequence in the figure below that when input X0 is a square wave signal
with a period of T, the output of coil Y1 will be a square wave signal with a period of 2T.
Example 10: Delay circuit
When input X0 is On, because the corresponding NC contact will be Off, the timer T10 will
be in no power status, and output coil Y1 will be electrified. T10 will receive power and begin
timing only after input X0 is Off, and output coil Y1 will be delayed for 100 sec. (K1000*0.1
sec. =100 sec.) before losing power; please refer to the sequence of actions in the figure
below.
X0
M0
X0
Y1M0
M0
Y1
Y1
M0
Y1
T

Table of Contents

Related product manuals