EasyManua.ls Logo

Delta VFD300C43A-21 - Page 159

Delta VFD300C43A-21
1259 pages
Print Icon
To Next Page IconTo Next Page
To Next Page IconTo Next Page
To Previous Page IconTo Previous Page
To Previous Page IconTo Previous Page
Loading...
Chapter 7 Optional AccessoriesC2000 Plus
7-50
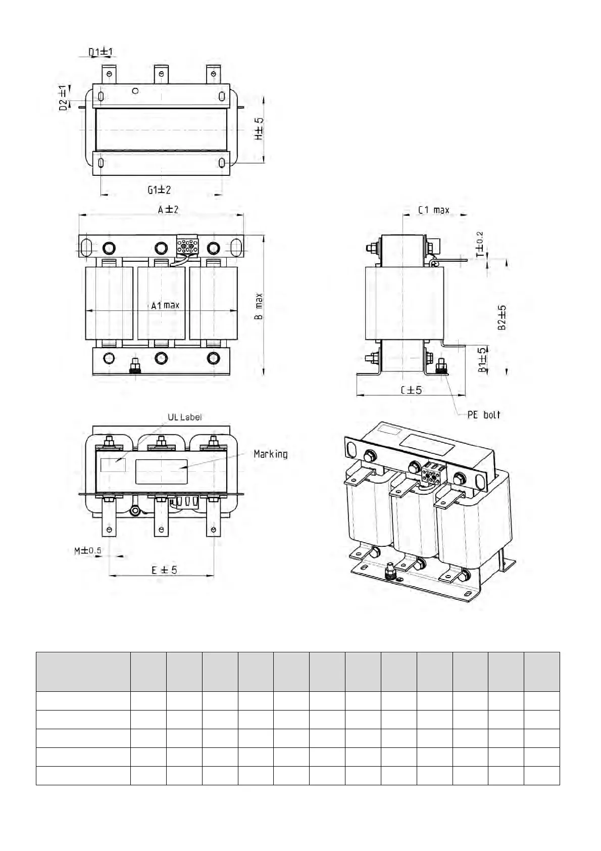
Figure 7-28
Unit: mm
Output AC reactor
Delta part #
A A1 B B1 B2 C C1 D1*D2 E G1 H M*T
DR075LP170 240 228 215 44 170 151 100 7*13 152 176 85 20*3
DR090LP141 240 228 215 44 170 151 100 7*13 152 176 85 20*3
DR146LP087 240 228 240 45 202 165 110 7*13 152 176 97 30*3
DR180LP070 250 240 250 46 205 175 110 11*18 160 190 124 30*5
DR215LP059 250 240 275 51 226 180 120 11*18 160 190 124 30*5
Table 7-56

Table of Contents

Related product manuals