EasyManua.ls Logo

Delta VFD300C43A-21 - Page 194

Delta VFD300C43A-21
1259 pages
Print Icon
To Next Page IconTo Next Page
To Next Page IconTo Next Page
To Previous Page IconTo Previous Page
To Previous Page IconTo Previous Page
Loading...
Chapter 7 Optional AccessoriesC2000 Plus
7-85
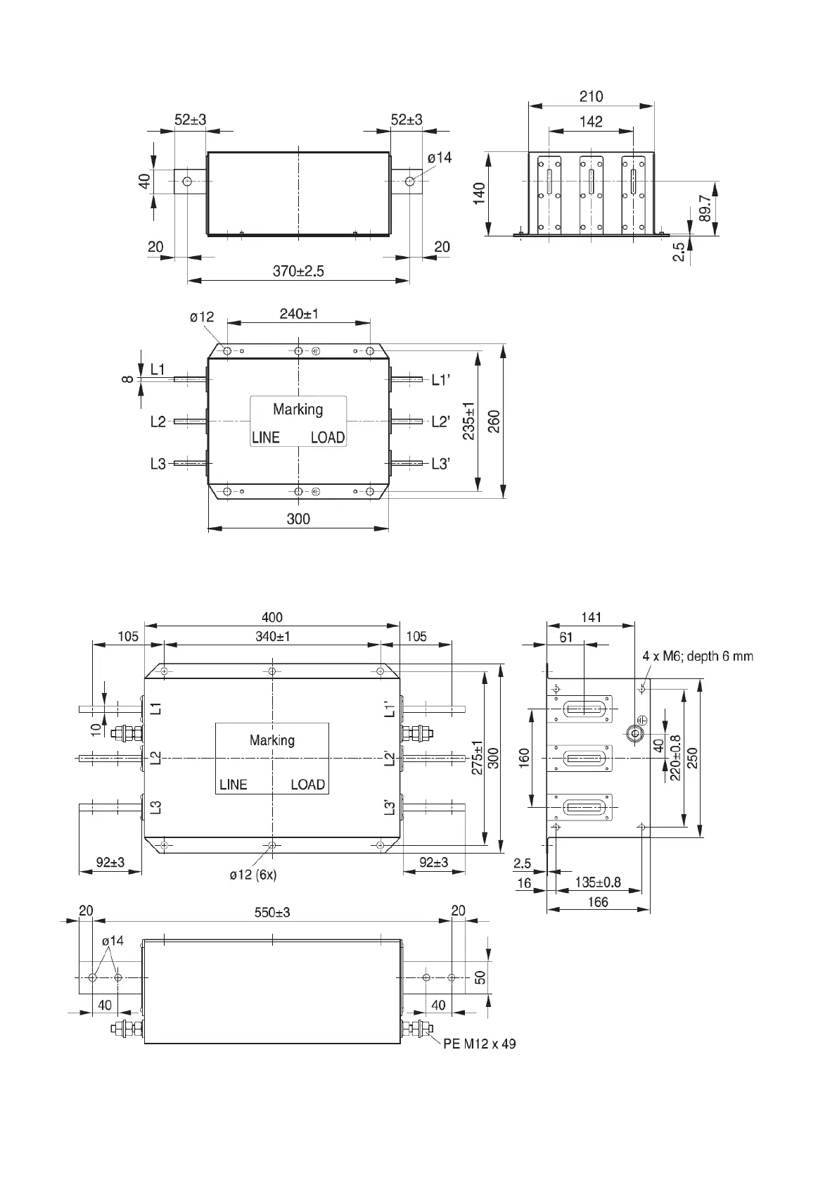
Model name: B84143B1000S080
Figure 7-68
Model name: B84143B1600S020
Figure 7-69
Unit: mm
Torque: 142.9~173.5 kg-cm /
(132.9~150.6 lb-in.) /
(14.0~17.0 Nm)
Unit: mm

Table of Contents

Related product manuals