EasyManua.ls Logo

Delta VFD300C43A-21 - Page 466

Delta VFD300C43A-21
1259 pages
Print Icon
To Next Page IconTo Next Page
To Next Page IconTo Next Page
To Previous Page IconTo Previous Page
To Previous Page IconTo Previous Page
Loading...
Chapter 12 Descriptions of Parameter SettingsC2000 Plus
12.1-01-17
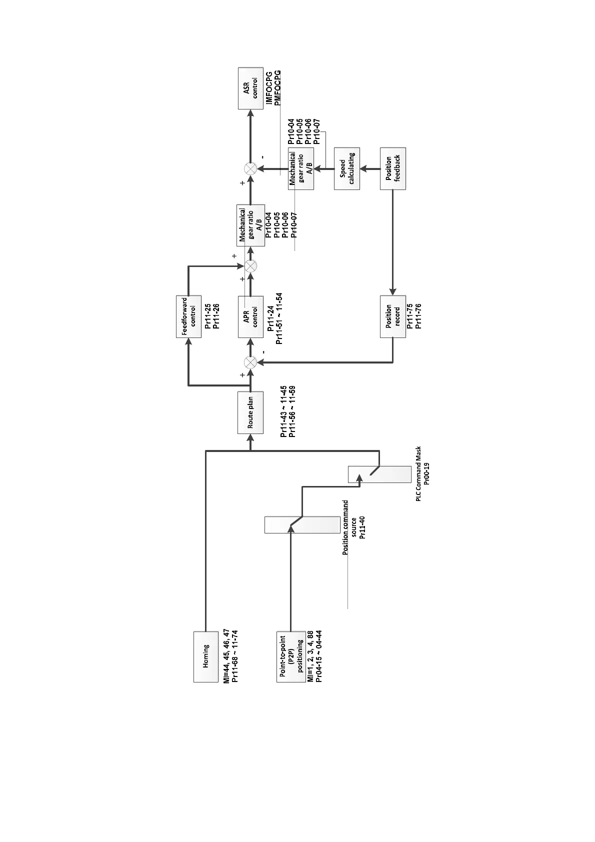
Point-to-point positioning control diagram:
Point-to-point (P2P) positioning position control:
The P2P position control is a positioning function that controls the motor operation from one
position to another. This function controls the positioning position according to the encoder
feedback signals, and determines the positioning position through the multi-function input
terminals. A maximum of four multi-function input terminals can be used at the same time to
switch between 15 positions.

Table of Contents

Related product manuals