EasyManua.ls Logo

Delta VFD300C43A-21 - Page 719

Delta VFD300C43A-21
1259 pages
Print Icon
To Next Page IconTo Next Page
To Next Page IconTo Next Page
To Previous Page IconTo Previous Page
To Previous Page IconTo Previous Page
Loading...
Chapter 12 Descriptions of Parameter SettingsC2000 Plus
12.1-11-36
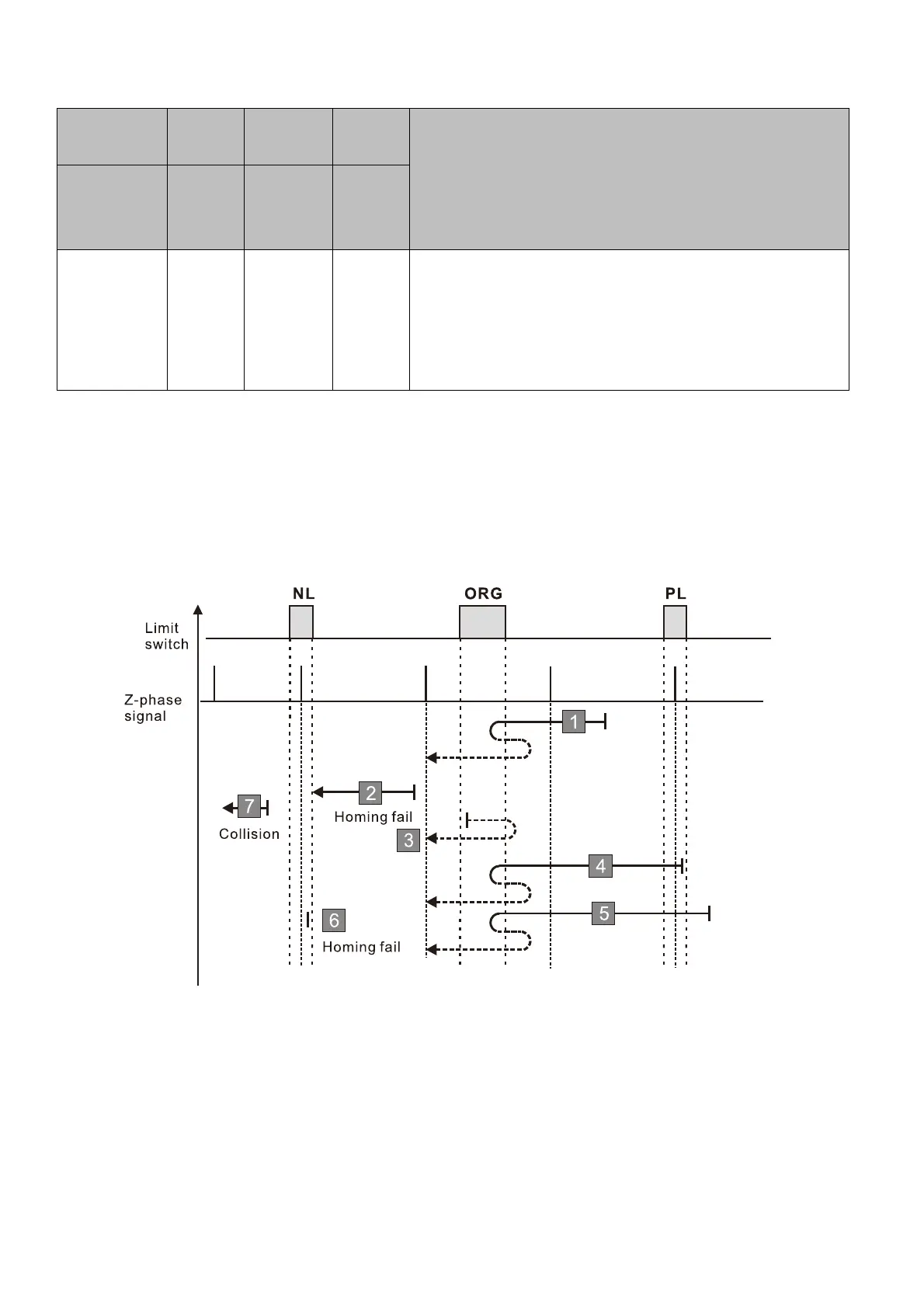
Diagram 6
CiA402 object
0x6098H
Z Y X
Function Description
Homing
Method
Home
Limit
Z-phase
Signal
Setting
Homing
Mode
6 0 1 3
Execute homing position control in the reverse direction
until encountering the ORG switch (from 0 to 1). Then,
continue locating the Z-phase signal in the same
direction as the origin. Stops when encountering the
negative limit switch.
1. The initial movement direction depends on the ORG switch status. The initial movement is in the
forward direction if the ORG switch is active; the initial movement is in the reverse direction if the ORG
switch is inactive.
2. When moving in the forward direction and encountering the falling-edge of the ORG switch, the
movement direction is reversed and waits for the rising-edge trigger of the ORG switch.
3. Then, the movement locates the Z-phase signal in the reverse direction and uses the Z-phase signal
as the origin.
A homing failure occurs when the following condition happen:
1. If the initial motor movement is in the forward direction and no falling edge of the ORG switch is
encountered, a homing failure occurs.
2. If a positive or negative limit switch signal is encountered in the process of motor movement, a homing
failure occurs.
3. If no ORG switch or Z-phase signal is encountered in the homing process mentioned above, and
time-out is triggered, then a homing failure occurs.

Table of Contents

Related product manuals