EasyManua.ls Logo

Delta VFD300C43A-21 - Page 743

Delta VFD300C43A-21
1259 pages
Print Icon
To Next Page IconTo Next Page
To Next Page IconTo Next Page
To Previous Page IconTo Previous Page
To Previous Page IconTo Previous Page
Loading...
Chapter 12 Descriptions of Parameter SettingsC2000 Plus
12.1-11-60
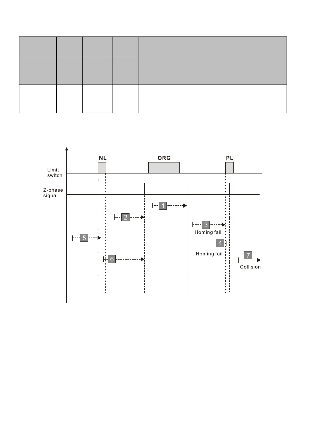
Diagram 30
CiA402 object
0x6098H
Z Y X
Function Description
Homing
Method
Home
Limit
Z-phase
Signal
Setting
Homing
Mode
34 0 - 4
Locate the Z-phase signal in the forward direction and
use the Z-phase signal as the origin. Stops when
encountering the positive limit switch.
1. The initial movement is in the forward direction.
2. Then, the movement locates the Z-phase signal in the forward direction and uses the Z-phase signal
as the origin.
A homing failure occurs when the following condition happen:
1. If a positive or negative limit switch signal is encountered in the process of motor movement, a
homing failure occurs.
2. If no Z-phase signal is encountered in the homing process mentioned above, and time-out is
triggered, then a homing failure occurs.

Table of Contents

Related product manuals