EasyManua.ls Logo

Delta VFD300C43A-21 - Page 794

Delta VFD300C43A-21
1259 pages
Print Icon
To Next Page IconTo Next Page
To Next Page IconTo Next Page
To Previous Page IconTo Previous Page
To Previous Page IconTo Previous Page
Loading...
Chapter 12 Description of Parameter SettingsC2000 Plus
12.2-39
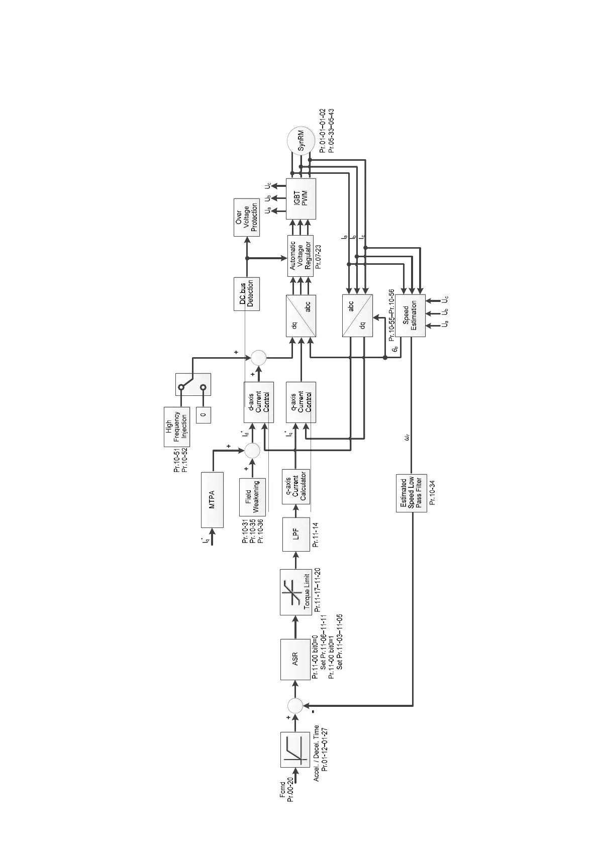
12-2-6 Synchronous Reluctance Motor, Sensorless Field-Oriented Control Adjustment
Procedure (SynRM Sensorless, Pr.00-11 = 8)
(Applicable for C2000 Plus firmware V3.06 and later)
Control diagram

Table of Contents

Related product manuals