EasyManua.ls Logo

Delta VFD900CP43A-00

Delta VFD900CP43A-00
868 pages
To Next Page IconTo Next Page
To Next Page IconTo Next Page
To Previous Page IconTo Previous Page
To Previous Page IconTo Previous Page
Loading...
Chapter 12 Description of Parameter SettingsCP2000
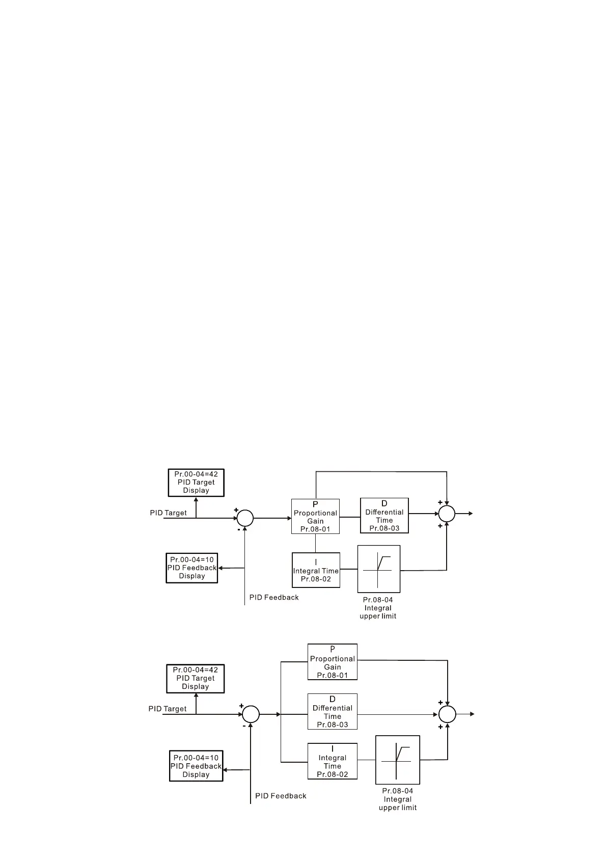
12.1-08-6
PID control output frequency is filtered with a primary low pass function. This function can filter a
mix frequency. A long primary low pass time means the filter degree is high and a short primary
low pass time means the filter degree is low.
Inappropriate delay time setting may cause system error.
PI Control:
Controlled only by the P action, so the deviation cannot be entirely eliminated. In general, to
eliminate residual deviations, use the P + I control. When you use the PI control, it eliminates the
deviation caused by the targeted value changes and the constant external interferences.
However, if the I action is too powerful, it delays the response when there is rapid variation. You
can use the P action by itself to control the loading system with the integral components.
PD Control:
When deviation occurs, the system immediately generates an operation load that is greater than
the load generated only by the D action to restrain the deviation increment. If the deviation is
small, the effectiveness of the P action decreases as well. The control objects include
applications with integral component loads, which are controlled by the P action only.
Sometimes, if the integral component is functioning, the whole system may vibrate. In this case,
use the PD control to reduce the P action’s vibration and stabilize the system. In other words,
this control is useful with no brake function’s loading over the processes.
PID Control:
Use the I action to eliminate the deviation and the D action to reduce vibration; then combine
this with the P action for the PID control. Use the PID method for a control process with no
deviations, high accuracies and a stable system.
Serial connection
Parallel connection

Table of Contents

Related product manuals