EasyManua.ls Logo

Delta VFD900CP43A-00 - Page 530

Delta VFD900CP43A-00
868 pages
Print Icon
To Next Page IconTo Next Page
To Next Page IconTo Next Page
To Previous Page IconTo Previous Page
To Previous Page IconTo Previous Page
Loading...
Chapter 12 Description of Parameter SettingsCP2000
12.1-12-2
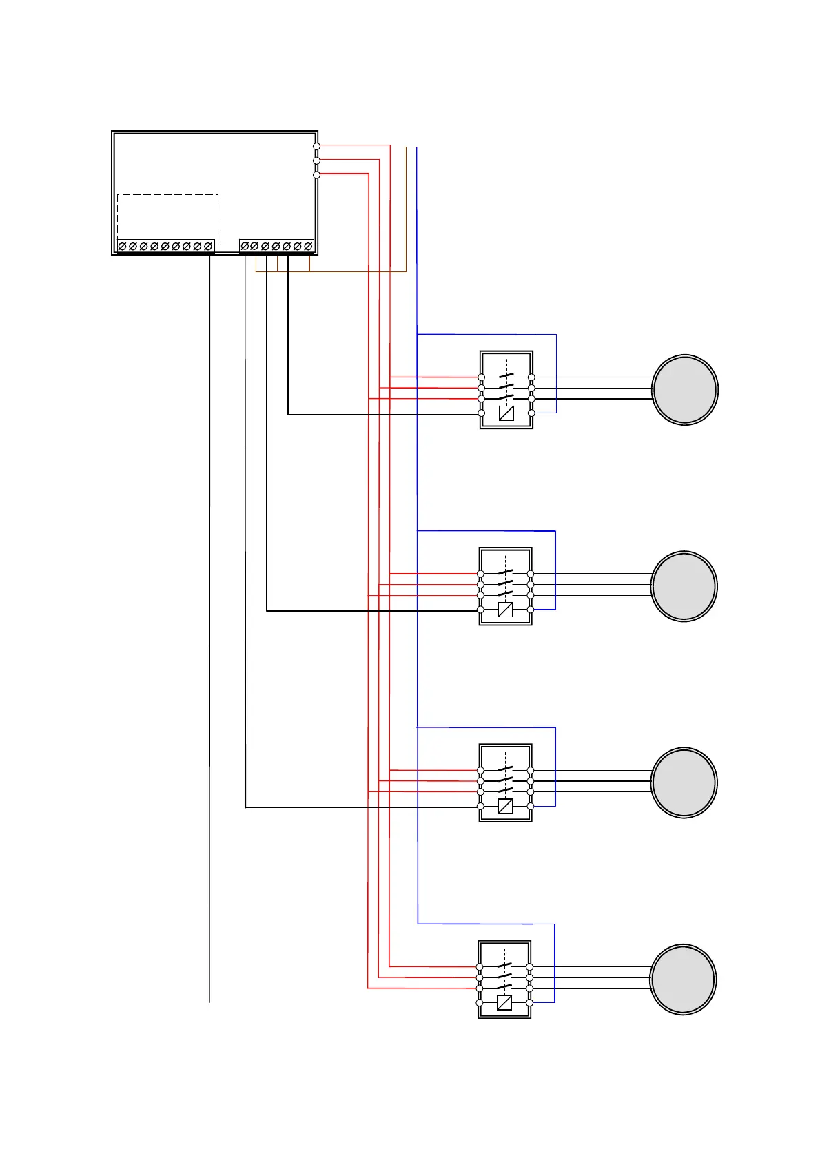
Wiring: Fixed Time Circulation (by time) can control up to eight motors. Diagram 12-2 shows an
example of controlling four motors at the same time.
Contactor
M1
Contactor
M2
Contactor
M3
Contactor
M4
L N
U V W
RA2
RC2
RA1
RB1
RC1
MO3
MO2
MO1
RA3
RC3
MO6
MO5
MO4
R6AA
V
FD-CP2000
Diagram 12-2: Wiring

Table of Contents

Related product manuals