EasyManua.ls Logo

Deltech HGEN Series - Air and Refrigerant Flow Schematics; Model HGEN600 W

Default Icon
28 pages
Print Icon
To Next Page IconTo Next Page
To Next Page IconTo Next Page
To Previous Page IconTo Previous Page
To Previous Page IconTo Previous Page
Loading...
20
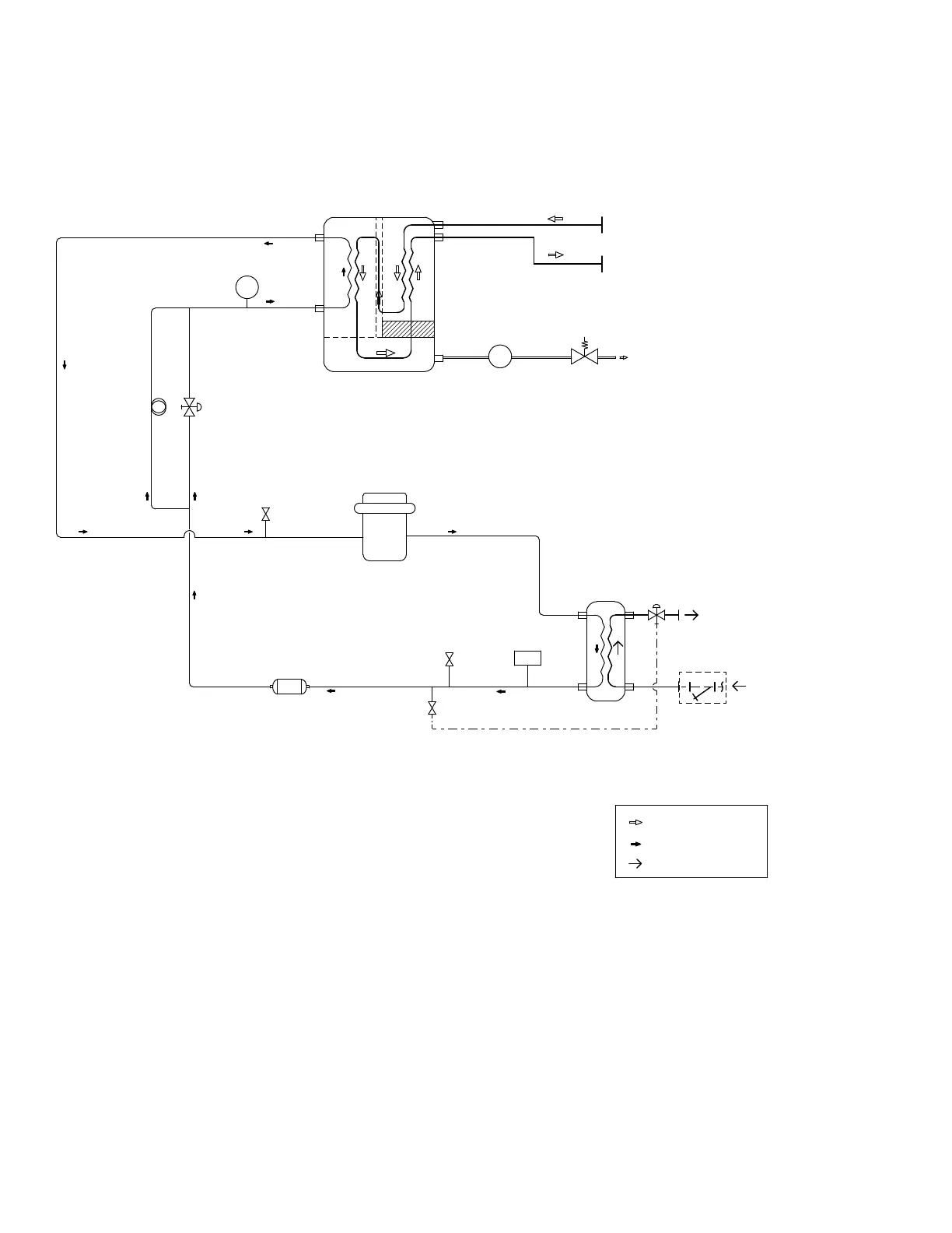
SPECIFICATIONS: WATER-COOLED UNITS
Air and Refrigerant Flow Schematic:
Model HGEN600W
H.P.S.
ELECTRONIC AUTO
DRAIN VALVE
CONDENSING PRESSURE
REGULATOR
STRAINER
(CUSTOMER SCOPE)
CONDENSER
(WATER COOLED)
FILTER/DRYER
REFRIGERATION
COMPRESSOR
HIGH PRESSURE
SWITCH
COMPRESSED AIR FLOW
REFRIGERANT FLOW
WETTED COMPRESSED AIR INLET
DRYED COMPRESSED AIR OUTLET
MOISTURE SEPARATOR INTEGRATED
BRAZED PLATE HEAT EXCHANGER
EXPANSION VALVE
CAPILLARY
TUBE
TEMPERATURE
SENSOR
TI
S
(REF TO AIR) (AIR TO AIR)
COOLING WATER OUTLET
COOLING WATER INLET
SCHRADER
VALVE
SCHRADER
VALVE
COOLING WATER FLOW
DRAIN VALVE
STRAINER
MCGUIRE AIR COMPRESSORS INC
1-888-229-9999
MCGUIRE AIR COMPRESSORS INC
1-888-229-9999

Related product manuals