EasyManua.ls Logo

Denon ADV-M71

Denon ADV-M71
95 pages
To Next Page IconTo Next Page
To Next Page IconTo Next Page
To Previous Page IconTo Previous Page
To Previous Page IconTo Previous Page
Loading...
70
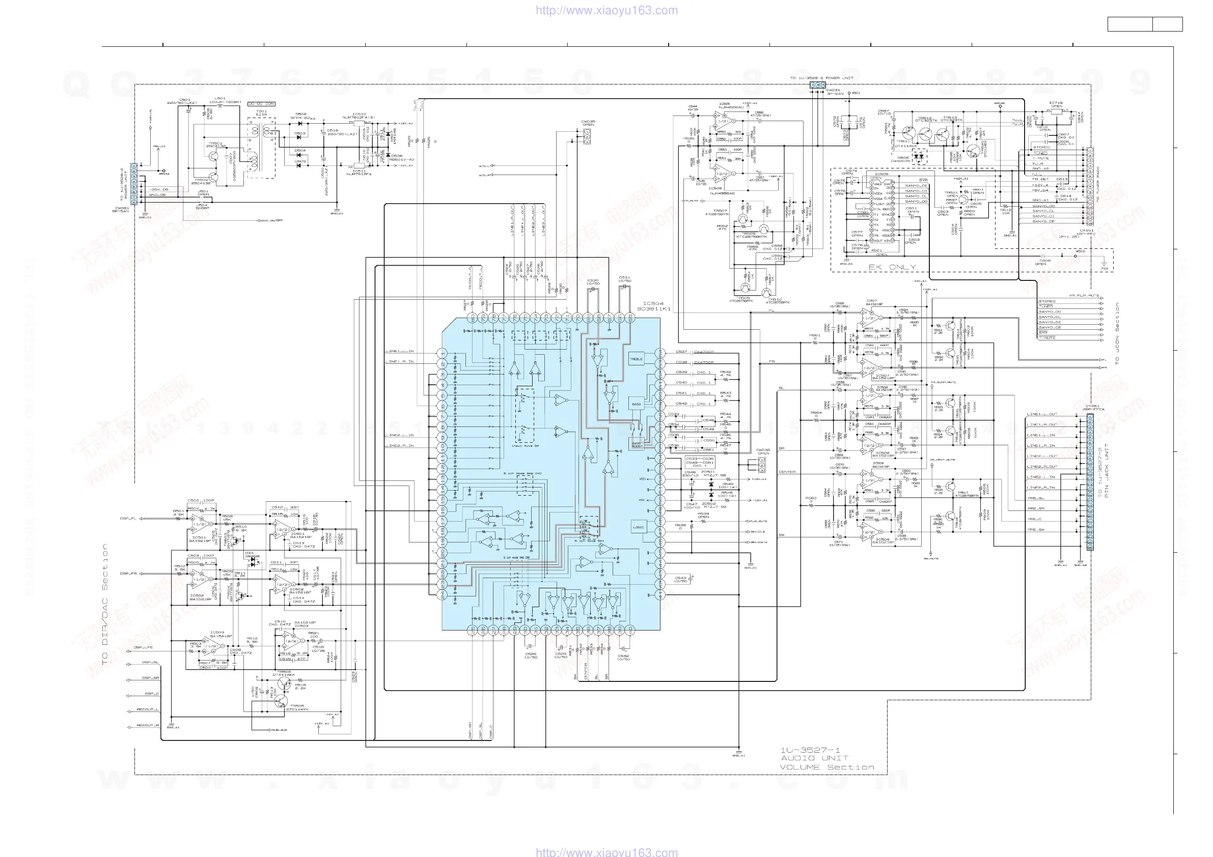
SCHEMATIC DIAGRAMS (3/14)
1U-3527-1 AUDIO UNIT (2/3)
VOLUME Secstion
(For All model)
SCHEMATIC DIAGRAMS (3/14)
1234567891011
A
B
C
D
E
F
G
H
ADV-M71
70
w
w
w
.
x
i
a
o
y
u
1
6
3
.
c
o
m
Q
Q
3
7
6
3
1
5
1
5
0
9
9
2
8
9
4
2
9
8
T
E
L
1
3
9
4
2
2
9
6
5
1
3
9
9
2
8
9
4
2
9
8
0
5
1
5
1
3
6
7
3
Q
Q
TEL 13942296513 QQ 376315150 892498299
TEL 13942296513 QQ 376315150 892498299
http://www.xiaoyu163.com
http://www.xiaoyu163.com

Table of Contents

Other manuals for Denon ADV-M71

Related product manuals