EasyManua.ls Logo

Denon AVC-2308 - Page 64

Denon AVC-2308
188 pages
To Next Page IconTo Next Page
To Next Page IconTo Next Page
To Previous Page IconTo Previous Page
To Previous Page IconTo Previous Page
Loading...
64
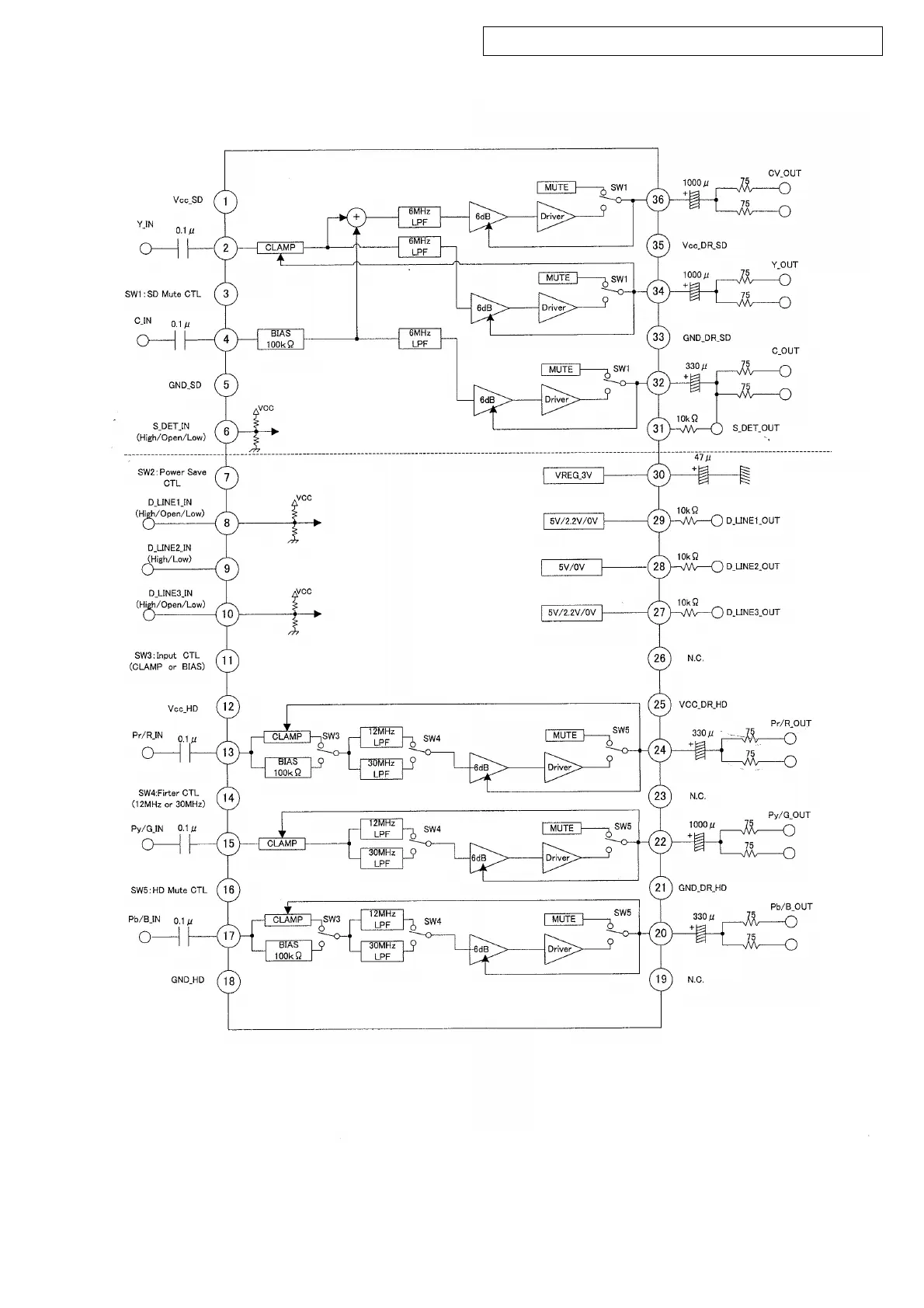
AVR-2308CI / AVR-888 / AVR-2308 / AVC-2308
LA73062V (AV : IC305)

Related product manuals