EasyManua.ls Logo

Denon AVC-A11SR - 9 A

Denon AVC-A11SR
115 pages
Print Icon
To Next Page IconTo Next Page
To Next Page IconTo Next Page
To Previous Page IconTo Previous Page
To Previous Page IconTo Previous Page
Loading...
- 63.3V
- 57.7V
- 57.7V
- 58.3V
- 58.9V
- 59.5V
- 1.2V
+ 15V
1.2V
59.5V
0V
0V
0V
0.6V
NOTICE
ALL RESISTANCE VALUES IN OHM. k=1,000 OHM M=1,000,000 OHM
ALL CAPACITANCE VALUES I N MICRO FARAD. P=MICRO-MICRO FARAD
EACH VOLTAGE AND CURRE NT ARE MEASUERD AT NO SIGNAL INPUT
CONDITION.
CIRCUIT AND PARTS ARE SUBJECT TO CHANGE WITHOUT PRIOR
NOTICE.
WARNING:
Parts marked with this symbol have critical characteristics.
Use ONLY replacement parts recommended by the manufacture.
CAUTION:
Before returning the unit to the customer, make sure you make either (1) a
leakage current check or (2) a line to chassis resistance check. If the leakage
current exceeds 0.5 milliamps, or if the resistance from chassis to either side
of the power card is less than 460 kohms, the unit is defective.
WARNING:
DO NOT return the unit to the customer until the problem is located and
corrected.
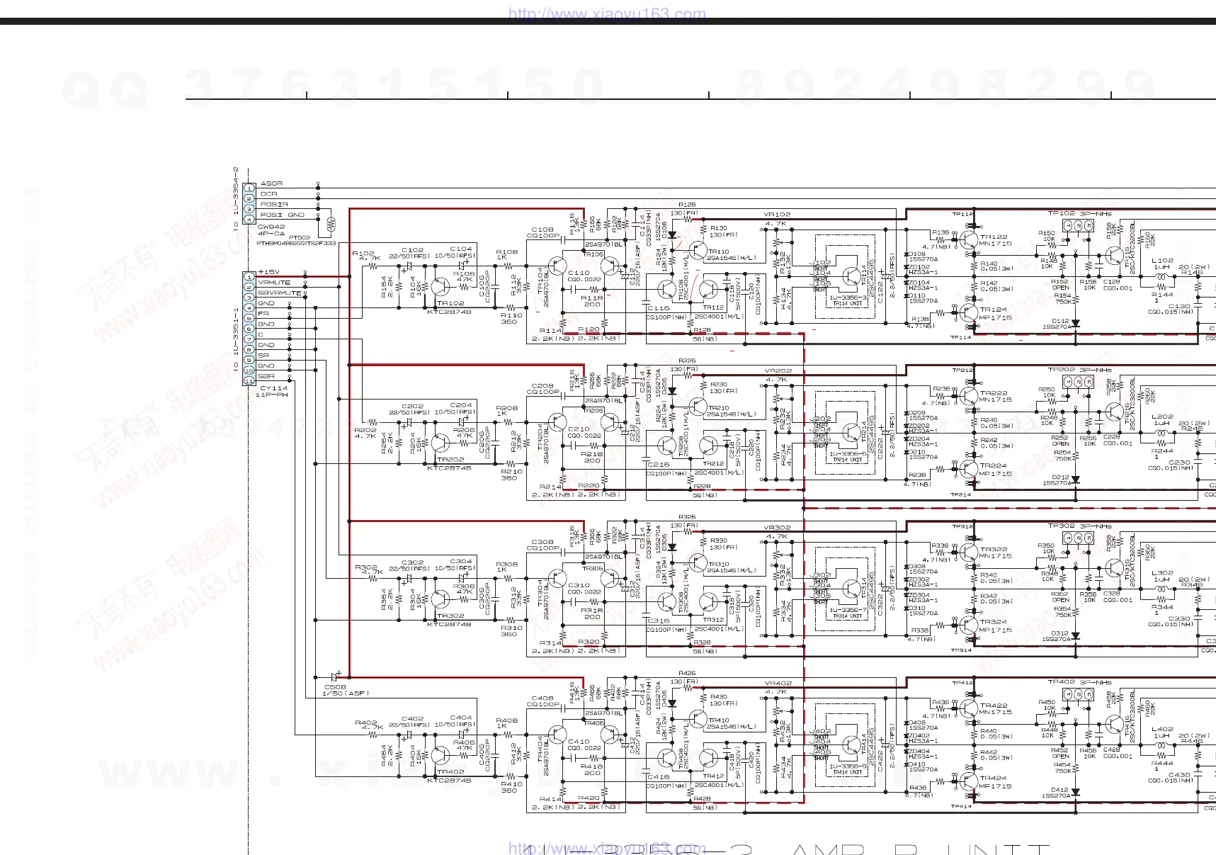
SCHEMATIC DIAGRAMS (9/9)
1U-3356-1 AMP L UNIT
1U-3356-2 AMP R UNIT
SCHEMATIC DIAGRAMS (9/9)
SIGNAL LINE
- B LINE
+ B LINE
AVR-4802/AVC-A11SR
70
1 2 3 4 5 6 7 8 9 10 11
A
B
C
D
E
F
G
H
w
w
w
.
x
i
a
o
y
u
1
6
3
.
c
o
m
Q
Q
3
7
6
3
1
5
1
5
0
9
9
2
8
9
4
2
9
8
T
E
L
1
3
9
4
2
2
9
6
5
1
3
9
9
2
8
9
4
2
9
8
0
5
1
5
1
3
6
7
3
Q
Q
TEL 13942296513 QQ 376315150 892498299
TEL 13942296513 QQ 376315150 892498299
http://www.xiaoyu163.com
http://www.xiaoyu163.com

Table of Contents

Other manuals for Denon AVC-A11SR

Related product manuals