EasyManua.ls Logo

Denon DCD-660 - Wiring Diagram - DCD-860; DCD-860 Main Unit Wiring

Denon DCD-660
42 pages
Print Icon
To Next Page IconTo Next Page
To Next Page IconTo Next Page
To Previous Page IconTo Previous Page
To Previous Page IconTo Previous Page
Loading...
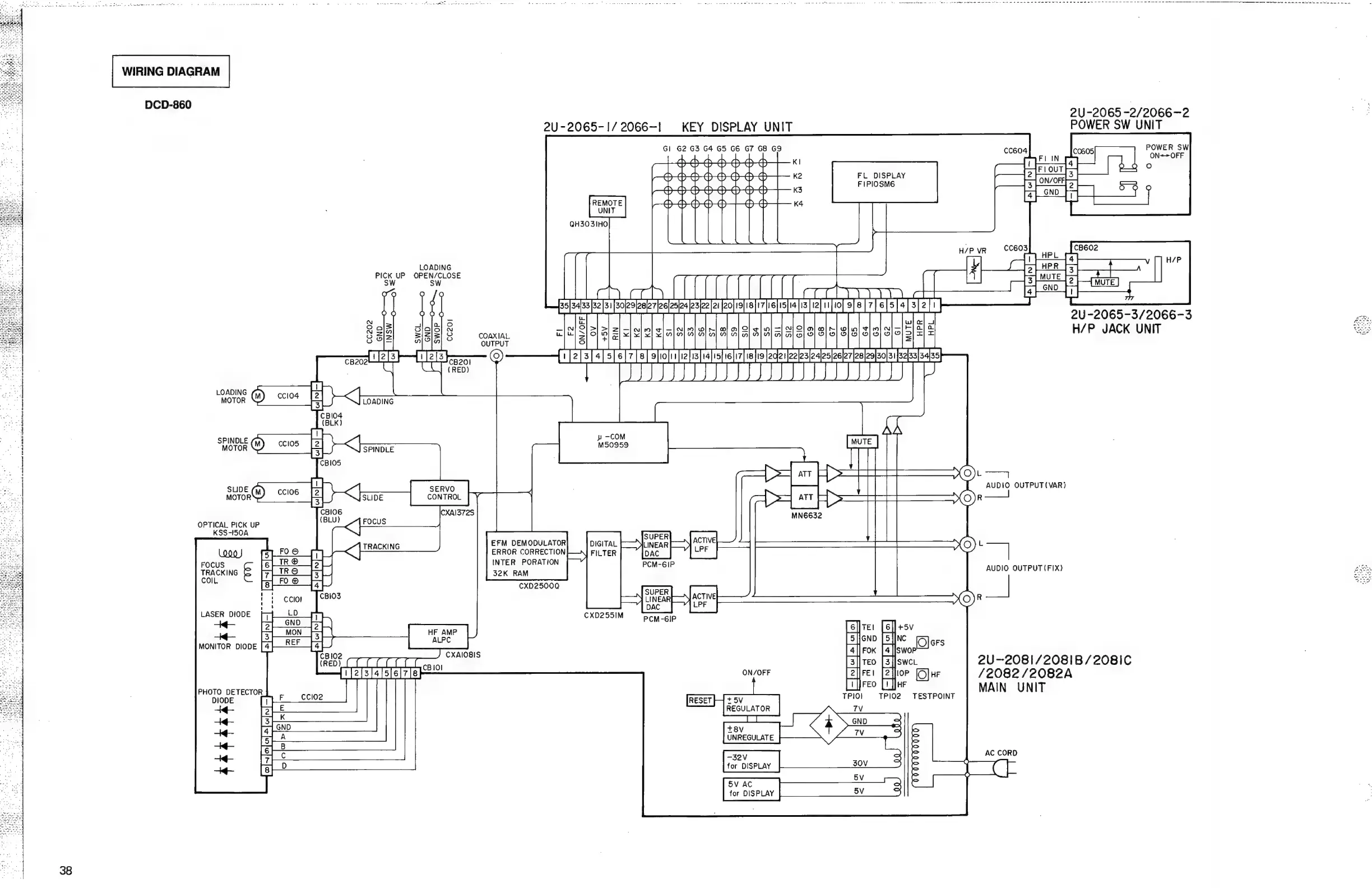
WIRING
DIAGRAM
DCD-860
2U-2065
-2/2066-2
2U-2065-1/
2066-1
KEY
DISPLAY
UNIT
POWER
SW
UNIT
GI
G2
G3 G4
G5
G6 G7
G8
G9
my
ch
ep
ch
eh
eth
a
es
eo
r
Ei
i
r
Ted
es
Om
hy
chy
ch
eeeceeee
aS
TM
py
chy
oh
chy
eh
ch
POWER
SW
ON=+
OFF
FL
DISPLAY
FIPIOSM6
LOADING
PICK
UP
OPEN/CLOSE
W
SW
Se
oo
aka
aan
sa
a
35|34/33|32[31|30fe9|2sle7|eclasjaa
23|z2|21
[20]19]
1817/16/15]
fio
9[8
|
7]
6]
5]
Bonen
,
7
2U-2065-3/2066-3
Ceo
et
trantaeeaaranat
il
w/e
oc
NT
ene:
td
fil
be
OUTPUT
S
els}—LTelshaae—
©
(Te
s]«]
s]6]
J]
op
[zfs]
a]
Se]
7poh
fede
feekesledeslespreslfaols
fssladss
bas
THEIL
|
cclo4
[2]
MOTOR
3]
LOADING
-COM
M50959
a
eat)
cc2ol
I
2
7
$l2
oO
Eas
@_coos
Fa
ATT
art
ay
ciad
iis
o:
>
_—
ee
SUDE
CClOS
a
a
SERVO
MOTOR
31
SLIDE
CONTROL
OPTICAL
PICK
UP
KSS-I50A
EFM
DEMODULATOR
DIGITAL
[——
>
FOO
17
ERROR
CORRECTION]
—\|
FILTER
LTR®
|
INTER
PORATION
FOCUS
2
TRACKING
3
Pre
32K
RAM
a
OUTPUT
(FIX)
IL
CXD2500@
CXD255IM
PCM-6IP
4
|
3
||
TE0
2U-2081/2081B/208IC
a:
ON/OFF
Bll
/2082/2082A
[
MAIN
UNIT
AC
CORD
5V
for
DISPLAY
38

Related product manuals