EasyManua.ls Logo

Denon DVD-A11 - SM5819 AF IC Block Diagram

Denon DVD-A11
172 pages
Print Icon
To Next Page IconTo Next Page
To Next Page IconTo Next Page
To Previous Page IconTo Previous Page
To Previous Page IconTo Previous Page
Loading...
84
84
DVD-5900/DVD-A11
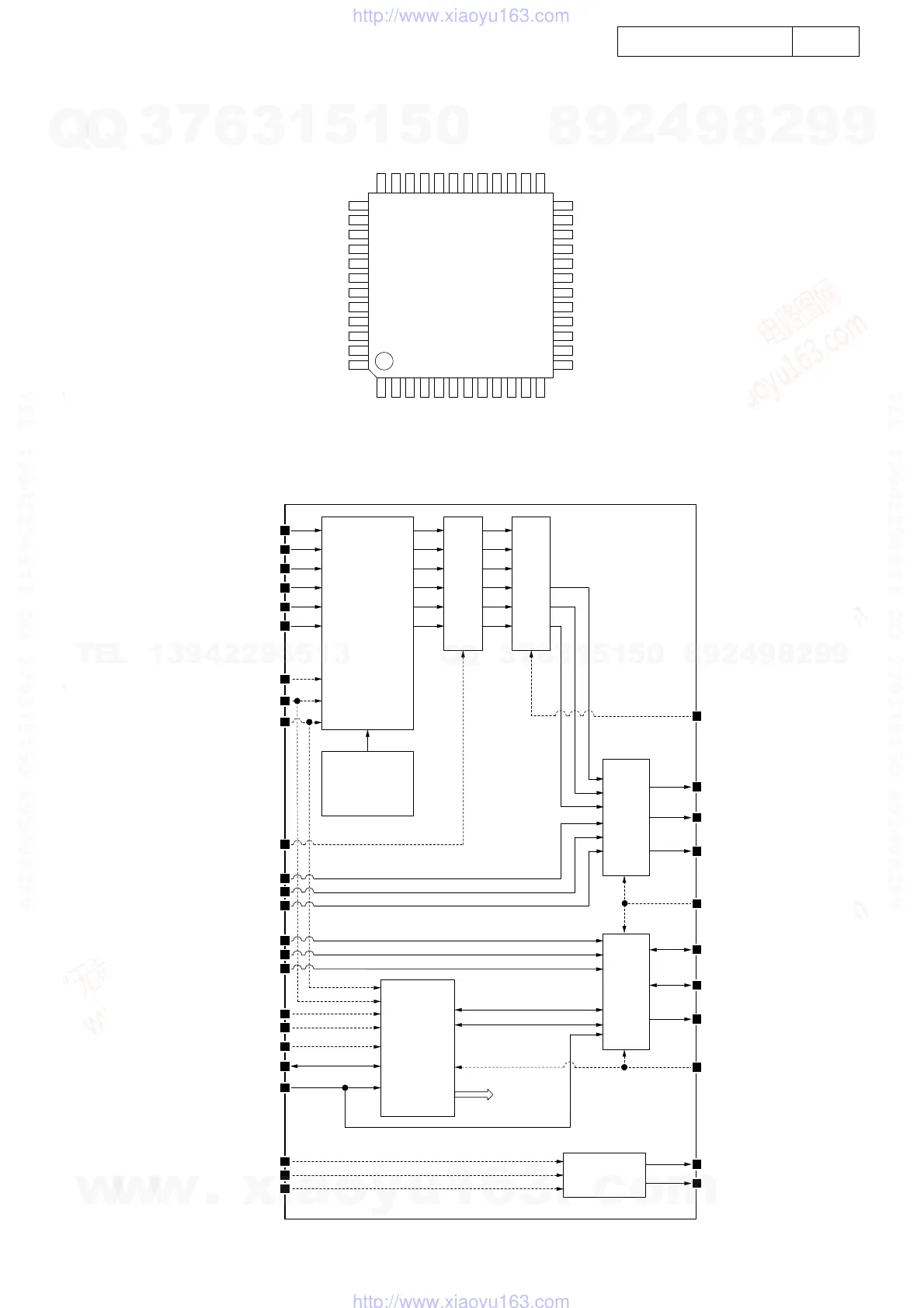
SM5819AF (MA: IC801)
1
2
3
4
5
6
7
8
9
10
11
12
13
14
15
16
17
18
19
20
21
22
23
24
25
26
27
28
29
30
31
32
33
34
35
36
37
38
39
40
41
42
43
44
45
46
47
48
VDDL
SEL1FS
SEL4FS
DSGAIN
XMTPCM
VDDH
TEST1
SELEXT
VSS
TEST2
TEST3
TOUT1
VDDL
DIRPCK
FMTPCM
VSS
MCKOUT
VDDH
PBCK
PLRCK
POSLR
POCSW
POFLR
VSS
VDDL
MCK
TOUT2
VSS
EXIMCK
VDDH
EXIBCK
EXILRCK
EXISLR
EXICSW
EXIFLR
VSS
VDDL
DSBCK
DSIFL
DSIFR
DSICT
DSISW
DSISL
DSISR
DIRDSCK
SYNC
INIT
VSS
Pin Assignment
BLOCK DIAGRAM
DSIFL
DSIFR
DSICT
DSISL
DSISR
DSISW
DSGAIN
SEL1FS
SEL4FS
XMTPCM
EXIFLR
EXISLR
FIR FILTER
and
DOWN SAMPLING
UNIT
PCM
MUTE
ROM
24bit 720word
(fs 240w)
(2fs 240w)
(4fs 240w)
EXICSW
INT/EXT.
DATA
SELECT
FMTPCM
POFLR
POSLR
POCSW
INT/EXT.
CLOCK
SELECT
CLOCK
GENERATOR
and
TIMING
CONTROL
SELEXT
PBCK
PLRCK
MCKOUT
SYNC
INIT
DIRDSCK
DSBCK
MCK
(Internal Clocks)
DIRPCK
TEST1
TEST2
TEST3
TOUT2
TEST
CONTROL
TOUT1
EXILRCK
EXIBCK
EXIMCK
PCM
I/F
w
w
w
.
x
i
a
o
y
u
1
6
3
.
c
o
m
Q
Q
3
7
6
3
1
5
1
5
0
9
9
2
8
9
4
2
9
8
T
E
L
1
3
9
4
2
2
9
6
5
1
3
9
9
2
8
9
4
2
9
8
0
5
1
5
1
3
6
7
3
Q
Q
TEL 13942296513 QQ 376315150 892498299
TEL 13942296513 QQ 376315150 892498299
http://www.xiaoyu163.com
http://www.xiaoyu163.com

Table of Contents