EasyManua.ls Logo

DERRICK DE-7200 - Sensor Connection Guide

Default Icon
167 pages
Print Icon
To Next Page IconTo Next Page
To Next Page IconTo Next Page
To Previous Page IconTo Previous Page
To Previous Page IconTo Previous Page
Loading...
INSTALLATION
01 Jan 14 3-17
DE-7200VFDCentrifuge
WARNING! CENTRIFUGE MUST BE OPERATED AT THE DES
IGNATED
SUPPLY VOLTAGE.
DANGER! DANGER! HIGH VOLTAGE! SHUT DOWN, LOCK OUT, AND TAG
OUT ELECTRIC POWER, AND ENSURE THAT EQUIPMENT HAS STOPPED
ROTATING BEFORE WORKING ON THIS EQUIPMENT. IF THE INPUT POWER
IS SPLIT, BE SURE THAT PHASING IS CORRECT BEFORE A
PPLYING
POWER TO CENTRIFUGE.
WARNING! ELECTRICAL CONNECTIONS MUST BE MADE IN ACCORDANCE
WITH THE NATIONAL ELECTRICAL CODE (NEC) AND ALL APPLICABLE
LOCAL CODES. FAILURE TO COMPLY MAY RESULT IN AN UNSAFE
CONDITION THAT COULD INJURE PERSONNEL OR DAMAGE EQU
IPMENT.
ENSURE THAT ALL ELECTRICAL AND CONDUIT CONNECTIONS ARE
SECURE.
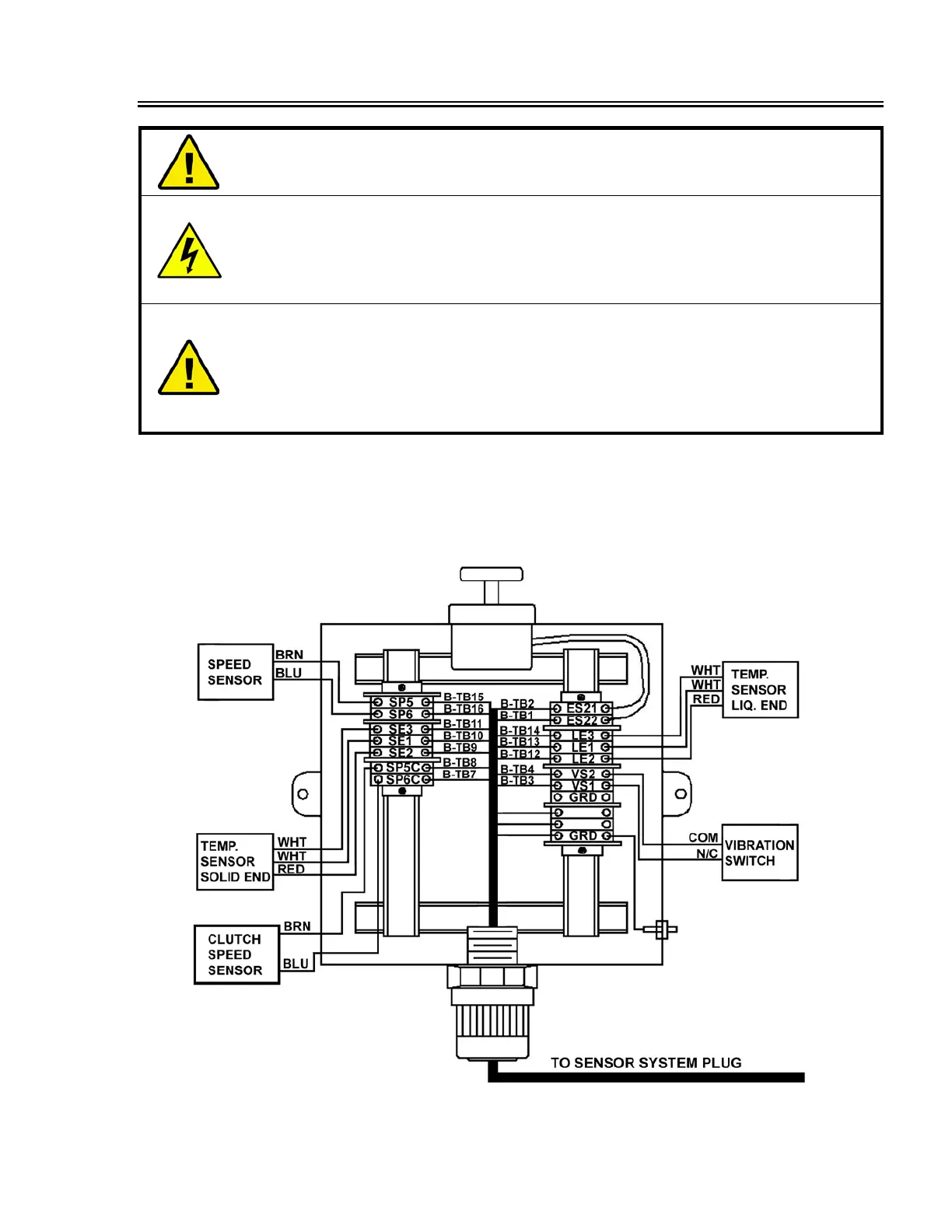
SENSOR CONNECTIONS
A cable is supplied for sensor connections. One end of the cable is pre-wired to the plug supplied
with the centrifuge, and the opposite end must be connected to terminals inside the sensor
junction box as shown in Figure 3-16. After completing the wiring, plug the cable into the
receptacle on the upper left side of the control cabinet.
Figure 3-16. Sensor System Junction Box Connections

Table of Contents