EasyManua.ls Logo

Deutz TCD 2012 Series - Diagram of measuring points

Deutz TCD 2012 Series
169 pages
Print Icon
To Next Page IconTo Next Page
To Next Page IconTo Next Page
To Previous Page IconTo Previous Page
To Previous Page IconTo Previous Page
Loading...
INSTALLATION MANUAL TD/TCD 2012 / 2013
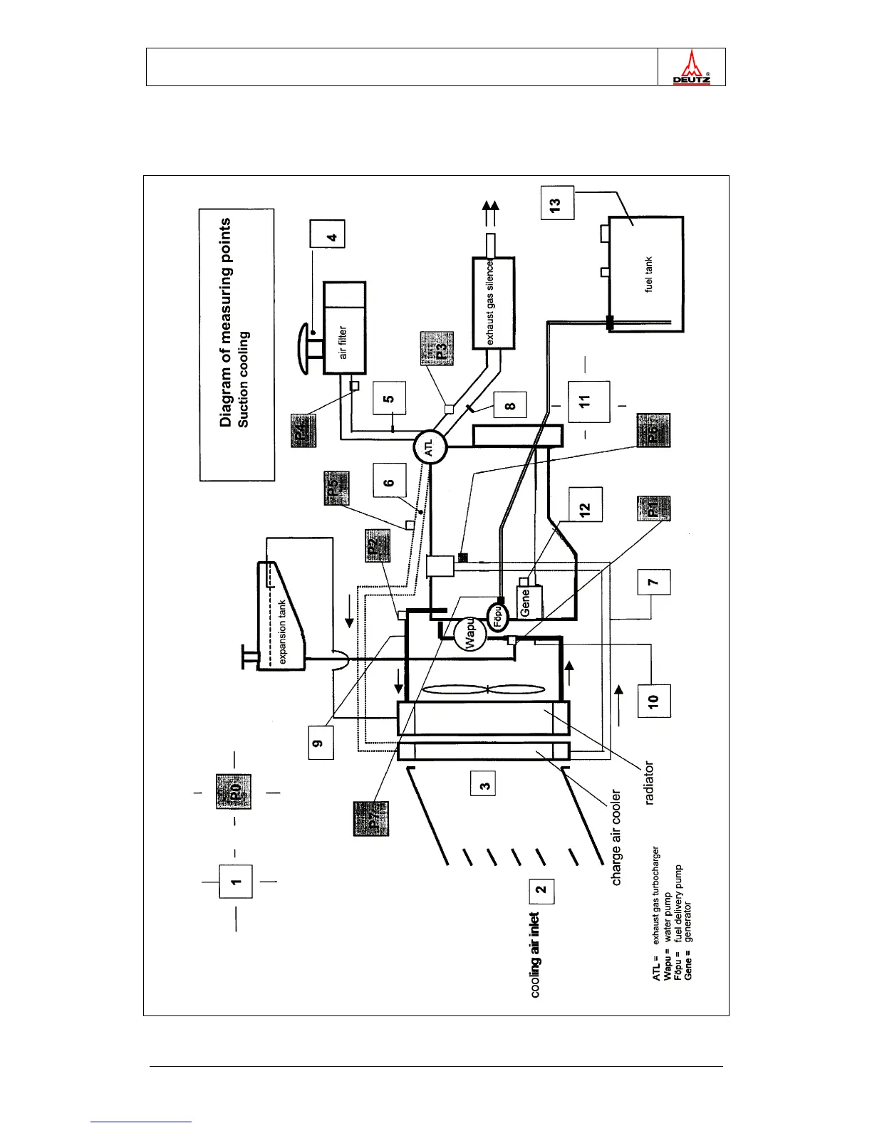
14.4 Diagram of measuring points
FIGURE 14-1
EDITION 05.2006 Modification index 00 14 - 5

Table of Contents

Related product manuals