EasyManua.ls Logo

DeVilbiss iFill 535D - Page 41

DeVilbiss iFill 535D
48 pages
Print Icon
To Next Page IconTo Next Page
To Next Page IconTo Next Page
To Previous Page IconTo Previous Page
To Previous Page IconTo Previous Page
Loading...
LT-1929
41
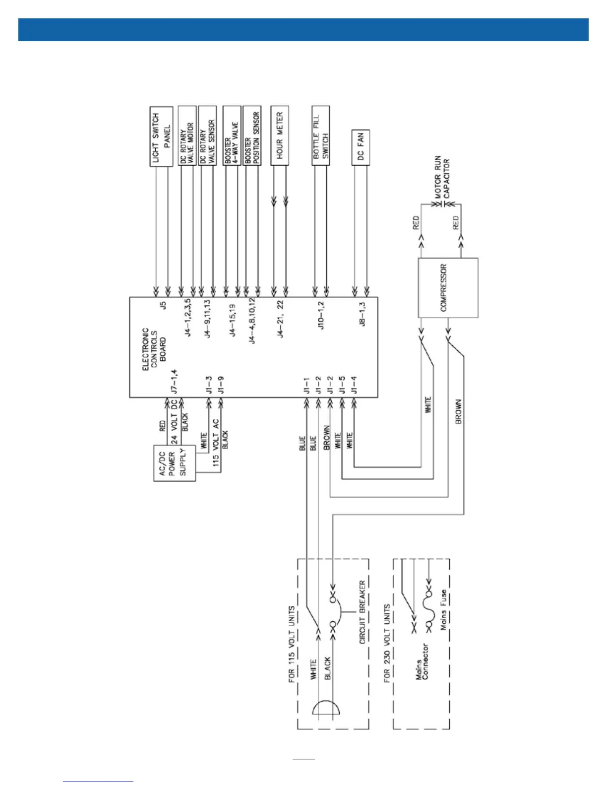
FIGURES, DIAGRAMS, AND VIEWS
FIGURE 22 - WIRING DIAGRAM

Other manuals for DeVilbiss iFill 535D

Related product manuals