EasyManua.ls Logo

DeWalt DCFS950 - Safety Symbols and Definitions

DeWalt DCFS950
58 pages
Print Icon
To Next Page IconTo Next Page
To Next Page IconTo Next Page
To Previous Page IconTo Previous Page
To Previous Page IconTo Previous Page
Loading...
ENGLISH
1
English (original instructions)
Definitions: Safety Alert Symbols and Words
This instruction manual uses the following safety alert symbols and words to alert you to hazardous situations and your risk
of personal injury or property damage.
DANGER: Indicates an imminently hazardous situation which, if not avoided, will result in death or seriousinjury.
WARNING: Indicates a potentially hazardous situation which, if not avoided, could result in death or seriousinjury.
CAUTION: Indicates a potentially hazardous situation which, if not avoided, may result in minor or moderateinjury.
(Used without word) Indicates a safety related message.
NOTICE: Indicates a practice not related to personal injury which, if not avoided, may result in propertydamage.
WARNING! Read all safety warnings and all
instructions. Failure to follow the warnings and
instructions may result in electric shock, fire and/or
seriousinjury.
WARNING: To reduce the risk of injury, read the
instructionmanual.
If you have any questions or comments about this or
any
DeWALT
tool, call us toll free at:
1-800-4-
DeWALT
(1-800-433-9258).
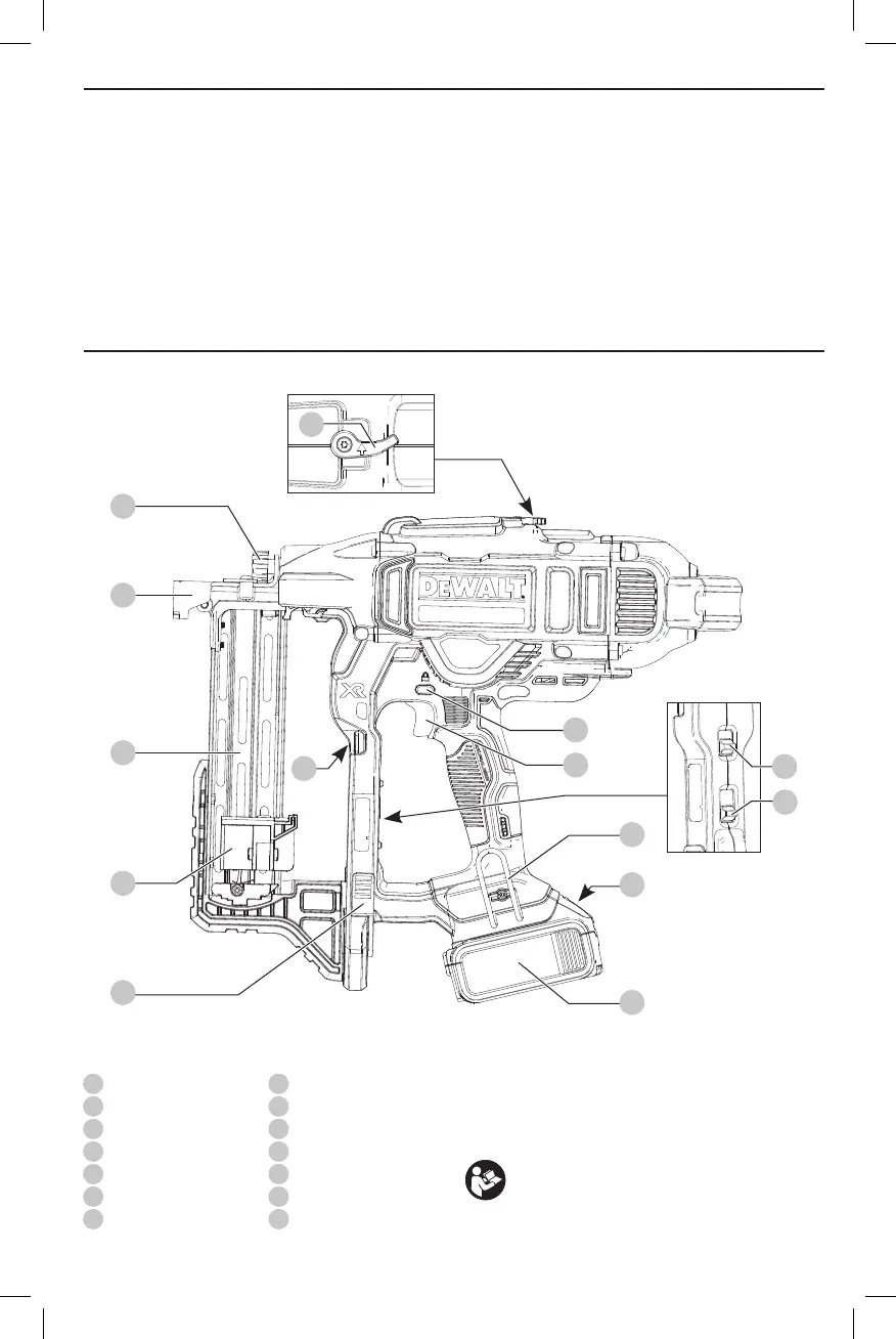
1
Trigger
2
Trigger lock-off
3
Tool free power select
4
Tool free mode select
5
Utility hook
6
Tool free depth adjust
7
Contact trip
8
Tool free stalll release
9
LED work lights (x2)
10
Magazine
11
Magazine release
12
Pusher
13
Battery release button
14
Battery
Fig. A
14
13
12
10
6
9
2
5
8
7
1
4
3
11

Other manuals for DeWalt DCFS950

Related product manuals