EasyManua.ls Logo

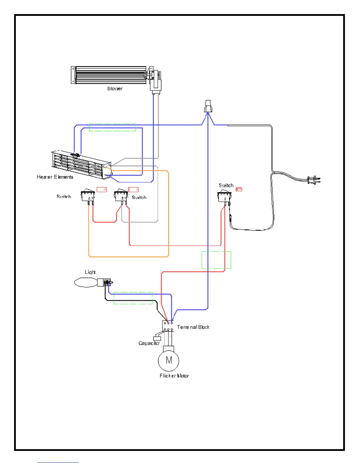
Dimplex CS1205 - Wiring Diagram

Dimplex CS1205
16 pages
Print Icon
To Next Page IconTo Next Page
To Next Page IconTo Next Page
To Previous Page IconTo Previous Page
To Previous Page IconTo Previous Page
Loading...
CS1205
5
WIRING DIAGRAM

Related product manuals