EasyManua.ls Logo

Dimplex LA 16 MI - Inline Flow Boiler; Domestic Hot Water Immersion

Dimplex LA 16 MI
42 pages
Print Icon
To Next Page IconTo Next Page
To Next Page IconTo Next Page
To Previous Page IconTo Previous Page
To Previous Page IconTo Previous Page
Loading...
Page 16
Inline flow boiler
Figure 16: Manual reset on the over Inline flow boiler
The OLP located on the inline flow boiler, as shown in
Figure 16 prevents the water from overheating. Before
manually resetting the cause of tripping should be
rectified. The OLP can be manually reset by:
1. Removing the OLP Cover.
2. Using an insulated tool to gently push the centre
button on the OLP.
3. Replace the OLP cover.
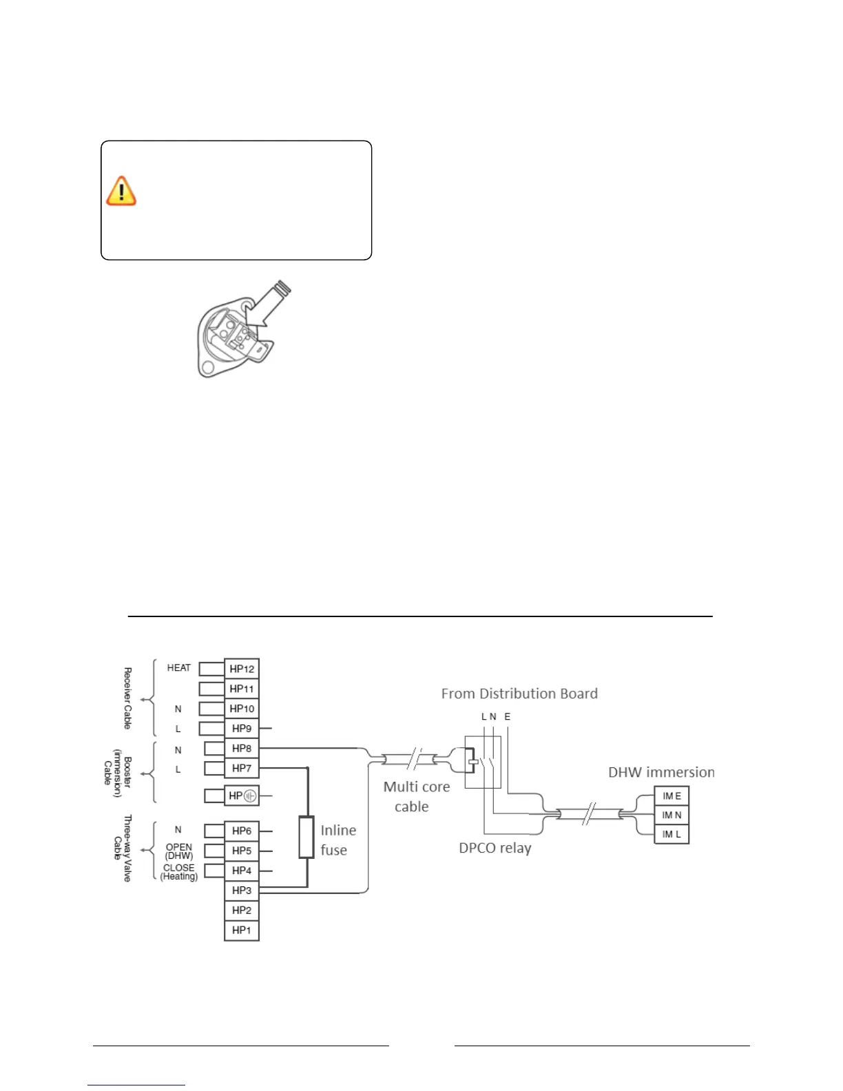
Domestic hot water immersion
The heat pump is capable of switching a 3kW
immersion directly without the need for an additional
relay as shown on the standard wiring diagram.
Depending upon the wiring runs it may be more
suitable that the heat pump switches a relay rather
than the immersion directly as shown in Figure 17.
This would mean that the cable from the heat pump to
the cylinder could have a lower current rating and
therefore, could be combined with the multi-core cable
rather than run a separate cable.
This method is particularly useful in retro-fit
applications where the existing cylinder already had an
immersion heater and high current supply fitted.
If this is the case the installer should supply an inline
fuse rated at an appropriate current for the relay
selected and the maximum current rating of the multi-
core cable as shown in Figure 17.
Figure 17: Wiring for Heat pump to control DPCO relay to switch supply for immersion
If the inline flow boiler is not wired in the
frost protection function will not fully
function. The circulation pump will run
but no additional heat will be added to
the system by the inline flow boiler. This
increases the risk of the water in the
system freezing.

Table of Contents

Other manuals for Dimplex LA 16 MI

Related product manuals