EasyManua.ls Logo

Dimplex LA 20AS - Stromlaufpläne; Circuit Diagrams; Schémas Électriques; Steuerung; Control; Commande la 20 AS

Dimplex LA 20AS
Print Icon
To Next Page IconTo Next Page
To Next Page IconTo Next Page
To Previous Page IconTo Previous Page
To Previous Page IconTo Previous Page
Loading...
www.dimplex.de A-VII
Anhang · Appendix · Annexes
3.1
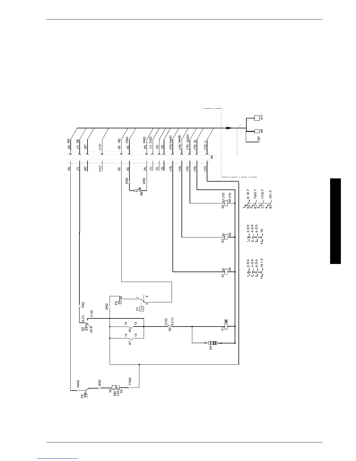
3 Stromlaufpläne / Circuit Diagrams / Schémas
électriques
3.1 Steuerung / Control / Commande LA 20AS
$OOH4XHUVFKQLWWHPP
$OOFURVVVHFWLRQVPP
7RXWHVOHVVHFWLRQVPP
6WHXHUOHLWXQJ[PP

&RQWUROOHDG[PP

/LJQHGHFRPPDQGH[PP
SRO
SROH
S{OHV
:lUPHSXPSHQUHJOHU
+HDWSXPSFRQWUROOHU
5pJXODWHXUGHSRPSHjFKDOHXU
NHLQH)XQNWLRQEHL:35%HWULHE
QRIXQFWLRQLQ+3FRQWUROOHUPRGH
VDQVIRQFWLRQHQFDVGHIRQFWLRQQHPHQW
DYHFUp
J
XODWHXUGHSRPSHjFKDOHXU
SRO
SROH
S{OHV

Table of Contents

Other manuals for Dimplex LA 20AS

Related product manuals