EasyManua.ls Logo

Dimplex LA 20AS - Last; Load; Charge la 24 AS; la 28 AS

Dimplex LA 20AS
Print Icon
To Next Page IconTo Next Page
To Next Page IconTo Next Page
To Previous Page IconTo Previous Page
To Previous Page IconTo Previous Page
Loading...
A-XII
Anhang · Appendix · Annexes
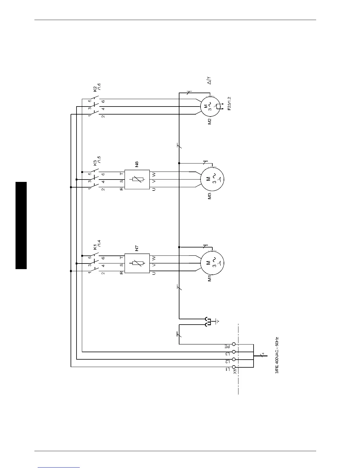
3.6
3.6 Last / Load / Charge LA 24AS / LA 28AS
1HW]0DLQV5pVHDX
3(9HUWHLOHU
3(GLVWULEXWRU
'LVWULEXWHXU3(
8PLQ
/LHIHU]XVWDQG<
$VGHOLYHUHGVWDWH<
(WDWjODOLYUDLVRQ<

Table of Contents

Other manuals for Dimplex LA 20AS

Related product manuals