EasyManua.ls Logo

DINGLI JCPT2212DC - Page 41

DINGLI JCPT2212DC
71 pages
Print Icon
To Next Page IconTo Next Page
To Next Page IconTo Next Page
To Previous Page IconTo Previous Page
To Previous Page IconTo Previous Page
Loading...
OPERATORS MANUAL with Maintenance Information
Operating Instructions
36
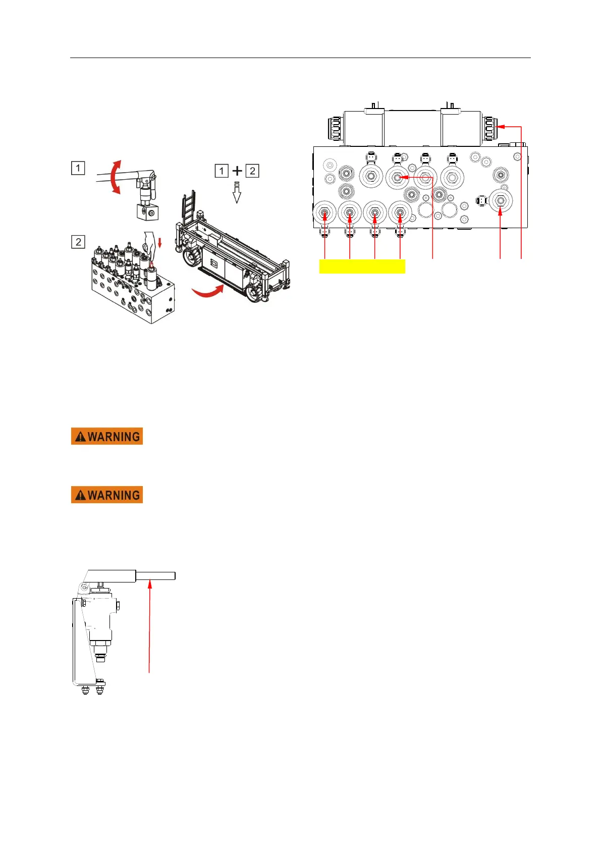
4 Operate the hand pump with the lever, the
outrigger emergency retract
Retracting Pothole guard
1 Unplug the lever and put it into the hand
pump (1).
2 Press and hold the button (3).
3 Operate the hand pump with the lever, the
Pothole guard should retract.
Do not emergency lift/lower
the platform and retract outriggers
simultaneity.
Emergency actuation of
outriggers only in normal position danger of
tipping!
After Each Use
1 Select a safe parking location - firm level
surface, clear of obstruction and traffic.
2 Lower the platform.
3 Turn the key switch to the off position and
remove the key to secure from
unauthorized use.
4 Push in the red Emergency Stop buttons to
off position.
5 Disconnect the main power.
6 Chock the wheels.
7 Charge the batteries.
1
A B C D 4 3 2

Related product manuals