EasyManua.ls Logo

DINGLI JCPT2212DC - Schematic

DINGLI JCPT2212DC
71 pages
Print Icon
To Next Page IconTo Next Page
To Next Page IconTo Next Page
To Previous Page IconTo Previous Page
To Previous Page IconTo Previous Page
Loading...
OPERATORS MANUAL with Maintenance Information
Schematic
63
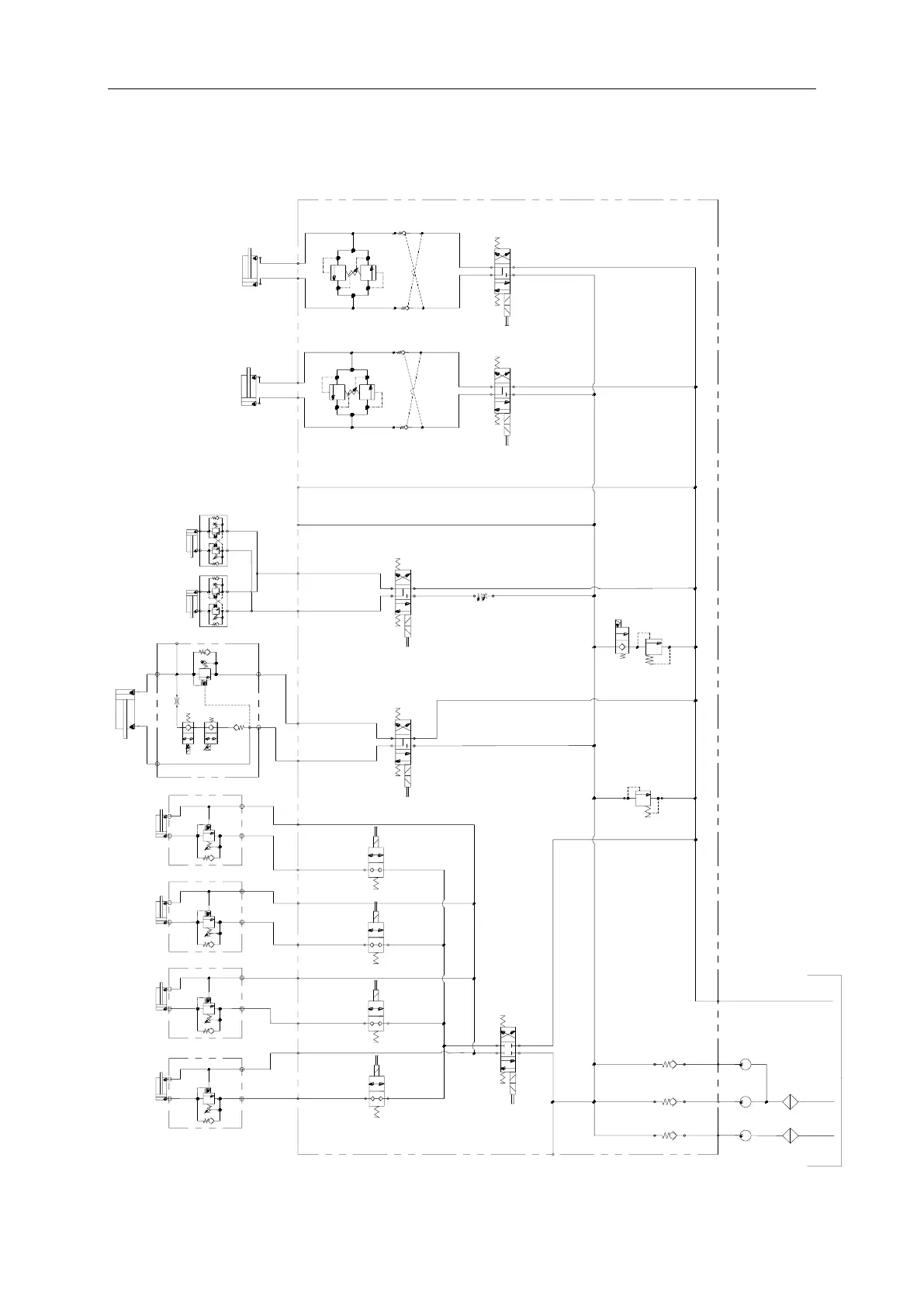
Hydraulic Schematic
CV3
SV1b
SV1a
RV1
P1
P2
P3
T
250bar
SV1
CV2
CV1
SV2
SV3
SV4
SV5
SV6b
SV6a
SV6
SV7b
SV7a
SV7
SV8b
SV8a
SV8
SV9b
SV9a
SV9
FC1
RV2
160bar
POC1
RV3
POC2
POC3
POC4
160bar
M1
A1
B1
A2
B2
A3
B3
A4
B4
L2
L1
H1
H2
PS
TS
S1
S2
S3
S4
A
B
CB-A
A
B
CB-B
A
B
CB-A
A
B
CB-A
B
A
C
D
A
CB-E
A1
B1
MA1
Tank
Function valve
Pump1
Pump2
Manual pump
Front steer cylinder
Rear steer cylinder
Counterbalance valve Counterbalance valve Counterbalance valve Counterbalance valve
Counterbalance valve
Counterbalance valve
LF Outrigger cylinder RF Outrigger cylinder LR Outrigger cylinder RR Outrigger cylinder
Lift cylinder
CB-F
CB-G
CB-H
CB-I
V1
V1
V2
V2
Counterbalance valve
Left pothole cylinder
Right pothole cylinder
RV4
SV10

Related product manuals